R32 4Motion V6-3.2L (CBRA) (2008)
Front Door Window Regulator: Service and Repair
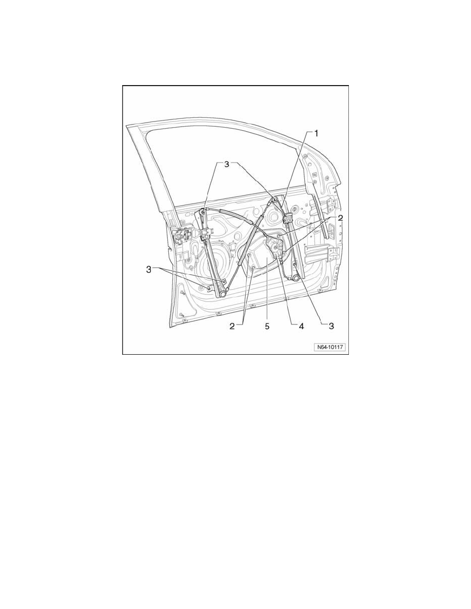
Front Door Window Regulator Assembly Overview
Front Door Window Regulator Assembly Overview
NOTE: The description applies to the right side. The left side is similar
1
-
Window regulator
2
-
Bolt
-
Qty. 4
-
8 Nm
3
-
Bolt
-
Qty.. 5, 4 door
-
Qty.. 4, 2 door
-
8 Nm
4
-
Drive motor
5
-
Mounting plate
