R32 4Motion V6-3.2L (CBRA) (2008)
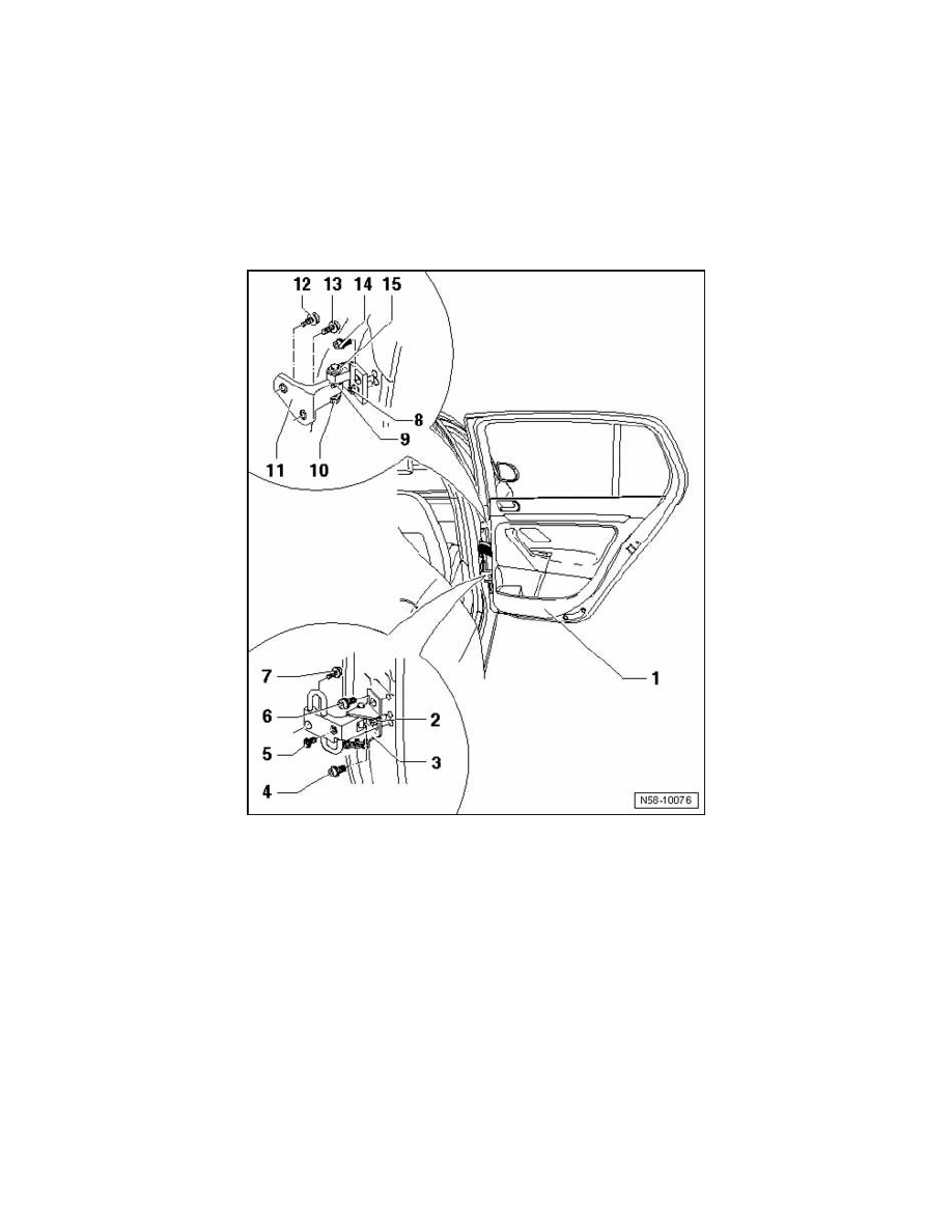
Rear Door Hinge: Service Precautions
Door Hinges Assembly Overview
CAUTION: The eccentric pin bolt - 10 - must not be loosened under any circumstances on vehicles through 01.2004. It cannot be secured again
using workshop equipment.
NOTE:
-
The description applies to the right side. The left side is similar
-
Always replace the door hinge bolts after loosening them.
-
Hinges are no longer manufactured as separated parts.
-
The tightening specification for the bolts from the door hinge to the door - 4, 6 and 14 - has changed.
1
-
Door
2
-
Guide bolt
-
10 Nm
3
-
Door hinge with door arrester
4
-
Socket head bolt
-
50 Nm
-
Always replace bolts after loosening them.
5
-
Socket head bolt
-
Installed from the vehicle interior
-
Remove lower B-pillar trim
-
20 Nm + 1 / 4 additional turn (90 degrees )
-
Always replace bolts after loosening them.
6
-
Socket head bolt
-
50 Nm
-
Always replace bolts after loosening them.
7
-
Socket head bolt
