R32 4Motion V6-3.2L (CBRA) (2008)
Rear Door Latch: Service and Repair
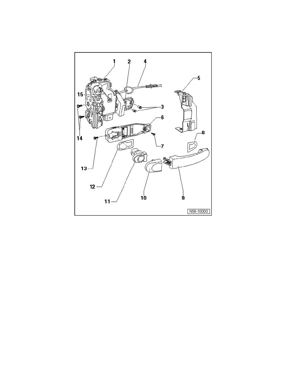
Door Handle and Door Lock Assembly Overview
Door Handle and Door Lock Assembly Overview
NOTE: The description applies to the right side. The left side is similar
1
-
Door lock
-
Door lock can only be removed in conjunction with the outer door plate.
2
-
Angle bracket
-
Not installed on some models.
3
-
Expanding rivet
-
Not installed on some models.
4
-
Cable
-
For disengaging lock of interior door handle.
5
-
Cover
-
Does not belong to packaged contents of door lock
-
Is secured to door lock with three tabs.
6
-
Mounting bracket
7
-
Bolt
8
-
Backing
-
Component of door handle
9
-
Door handle with backing plate
10
-
Cap
-
For lock cylinder housing without opening for lock cylinder.
-
Is secured to lock cylinder housing with three tabs.
