R32 4Motion V6-3.2L (CBRA) (2008)
Cigarette Lighter: Locations
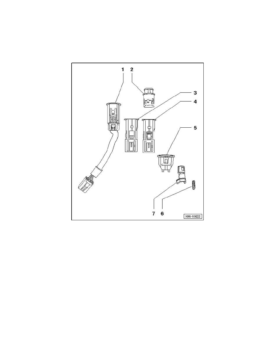
Cigarette Lighter Assembly Overview
CAUTION:
-
Using force to remove cigarette lighter sockets without illumination can result in damage to the mounting sleeve retainers.
-
The puller T40148 can only be used to remove cigarette lighter sockets with illumination.
-
The puller is not capable of releasing the retainers on power sockets without illumination.
-
Power sockets without illumination usually cannot be removed without damage.
1
-
Cigarette lighter receptacle with cable pig tail
2
-
Cigarette Lighter
3
-
Power outlet receptacle
4
-
Cigarette lighter receptacle
5
-
Mounting sleeve
6
-
Bulb W5 12 V, 1.2 Watt
7
-
Bulb holder
