volkswagen Workshop Repair Guides

Volkswagen Workshop Service and Repair Manuals

Components, Adapting|Page 5364 > < Components, Adapting|Page 5362
Page 17
background image

-

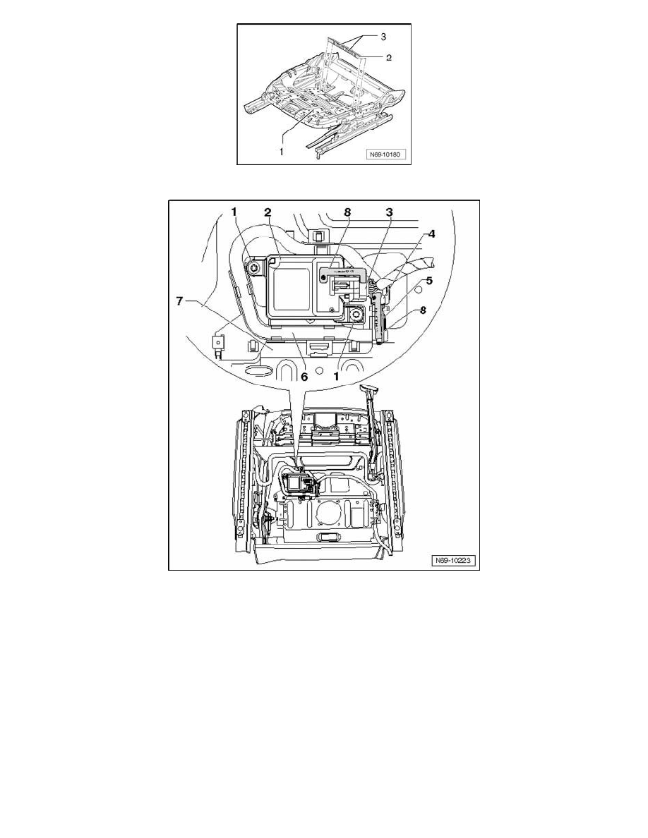
Secure insertion profile - 2 - with double-sided tape - 3 - on seat frame - 1 - as shown.

-

Clip pressure hose - 6 - into bracket. Begin clipping into bracket near Seat Occupied Recognition Pressure Sensor G452 - 5 - and end near
connector - 3 -.

CAUTION:
-

Make sure that no persons are in the vehicle.

-

Do not damage seals when assembling or disassembling.

Components, Adapting|Page 5364 > < Components, Adapting|Page 5362