Touareg 2 V6-3.6L (BHK) (2008)
/Page-1794001.png)
Rear Door Window Glass: Description and Operation
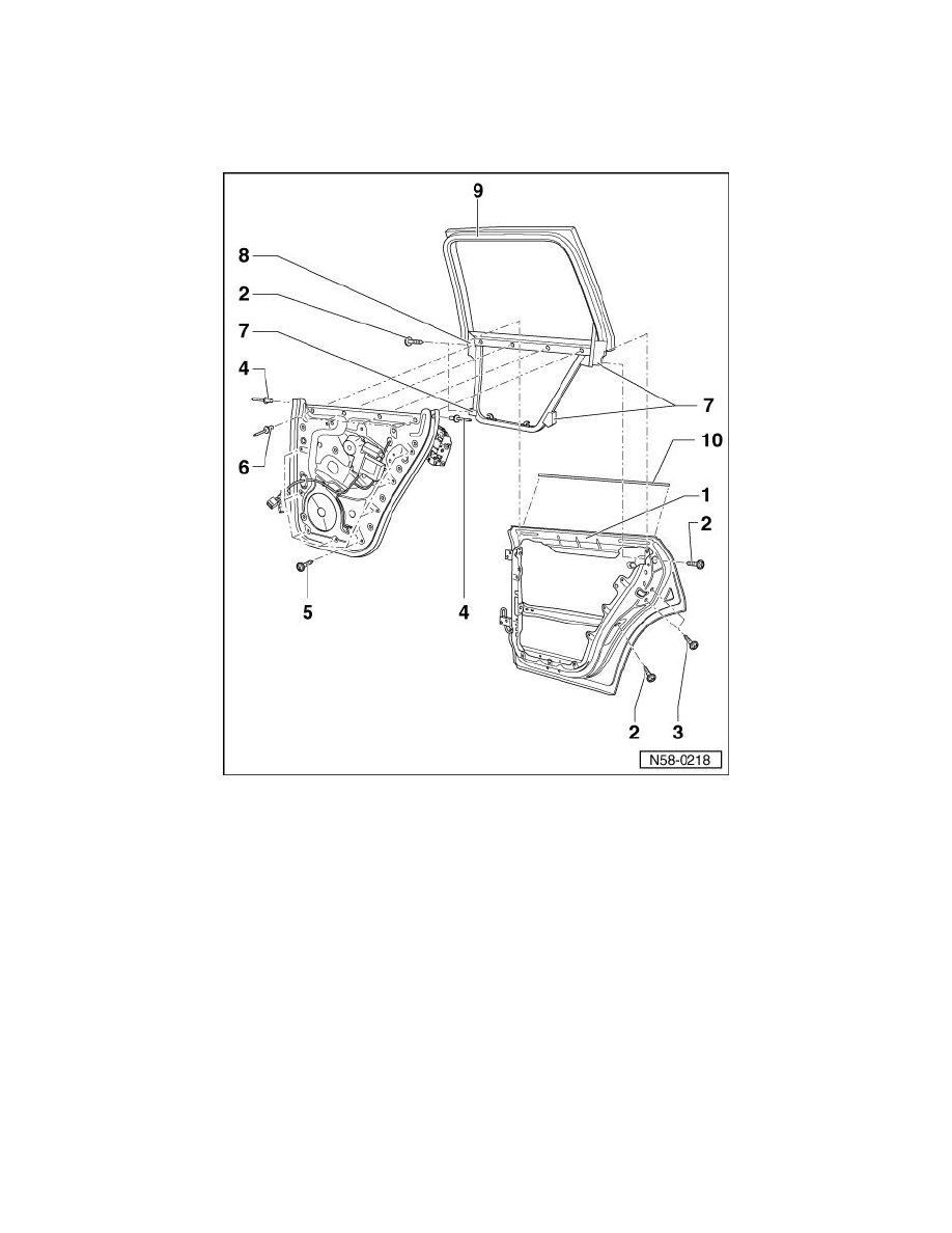
Rear Door Assembly Overview
Rear Door Window
Rear Door Assembly Overview
Construction of the Touareg door differs considerably from that of other models.
Entire door consists of outer door panel - 1 -, assembly carrier - 6 - and window frame - 9 -. When assembly carrier and window frame are joined
together, it is referred to as a subframe.
Assembly carrier and window frame cannot be completed individually. Only when they are combined to form the subframe can individual parts be
installed.