Touareg 2 V6-3.6L (BHK) (2008)
/Page-1868001.png)
Skid Plate: Service and Repair
Underbody Impact Guard Overviews
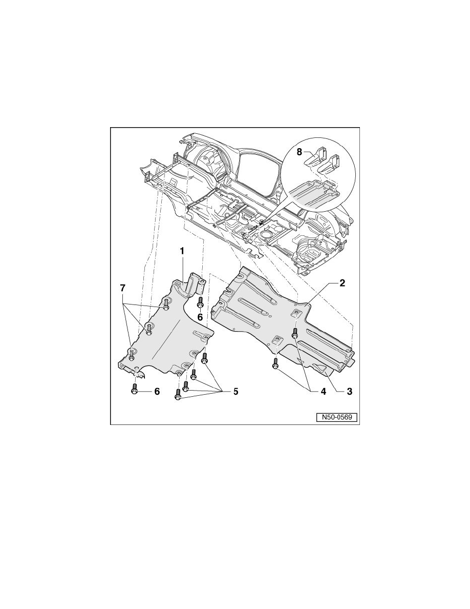
Noise Insulation Panel Assembly Overview
Underbody Impact Guard
Noise Insulation Panel Assembly Overview
‹› Slight changes may have to be made to removal and installation procedures, depending upon engine installed in vehicle.
1
Front noise insulation
2
Rear noise insulation
3
Shielding piece
‹› Riveted on to rear noise insulation.
4
Bolt
‹› Quantity: 2
‹› 8 Nm
5
Bolt
‹› Connects front and rear noise insulation.