Touareg 2 V6-3.6L (BHK) (2008)
/Page-1046001.png)
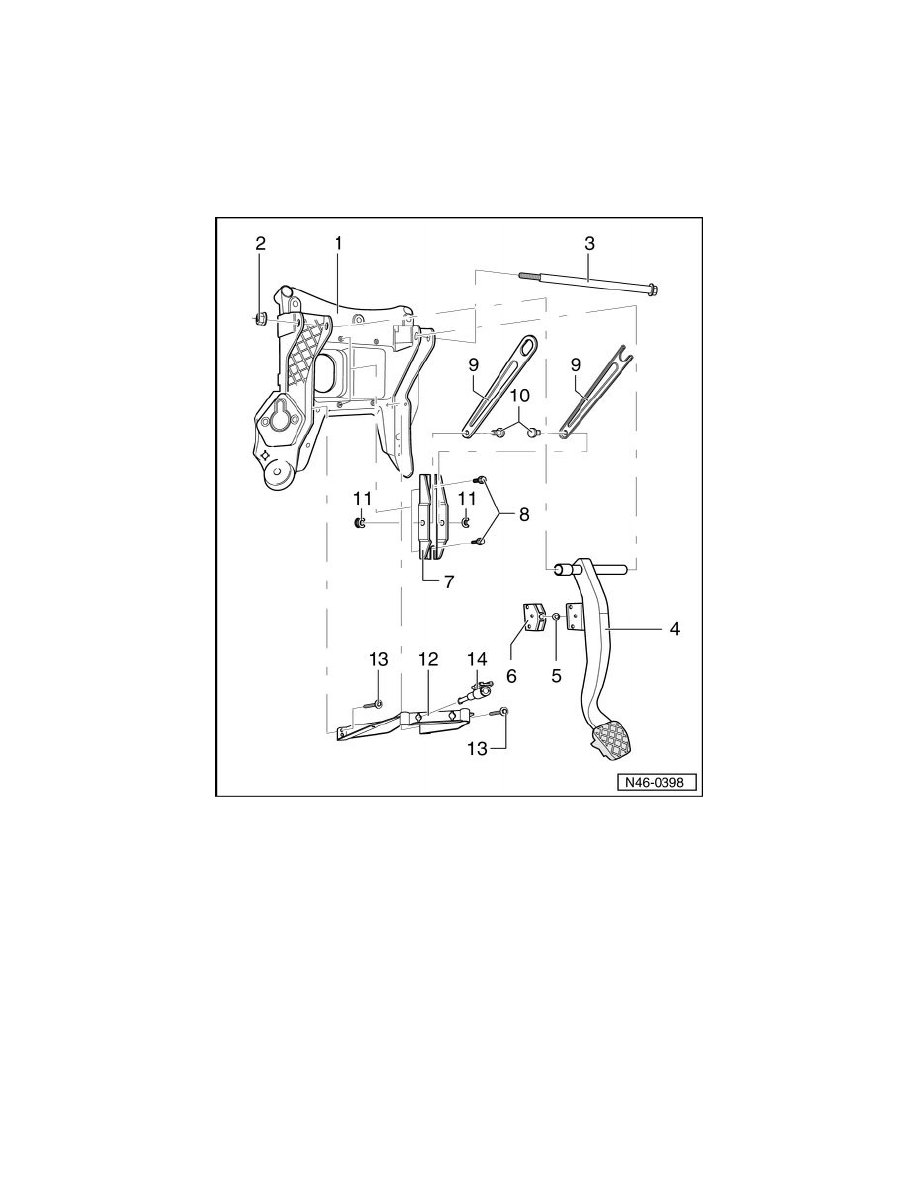
Brake Pedal Assy: Service and Repair
Brake Pedal Assembly Overview
Brake Pedal Assembly Overview
CAUTION!
The path of the brake pedal must not be shortened via extra floor mats.
‹› Lubricate all bearings and contact surfaces with grease (G 000 450 02).
1
Mounting bracket for pedal assembly
2
Self-locking nut, 20 Nm
3
Pivot pin
4
Brake pedal
5
Ball socket
6
Mount
‹› For ball head of brake servo push rod.
7
Support
8
Bolt, 8 Nm
9
Crash bar