Touareg 2 V6-3.6L (BHK) (2008)
/Page-304001.png)
Air Filter Element: Service and Repair
With One Piece Intake Manifold
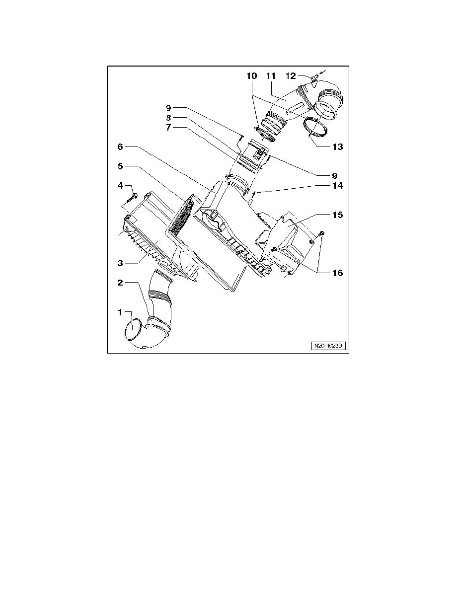
Air Filter Assembly Overview
1
Air inlet duct
‹› Fastened to lock carrier.
2
Protective grommet
3
Air filter housing lower
4
10 Nm
5
Filter element
6
Air filter housing upper
7
Seal
‹› Replace if damaged
8
Mass Air Flow (MAF) sensor (G70)
‹› Terminals of sensor and connector are gold-plated.
‹› Black connector, 5 pin.