Touareg 2 V6-3.6L (BHK) (2008)
/Page-954001.png)
Drive/Propeller Shaft: Procedures
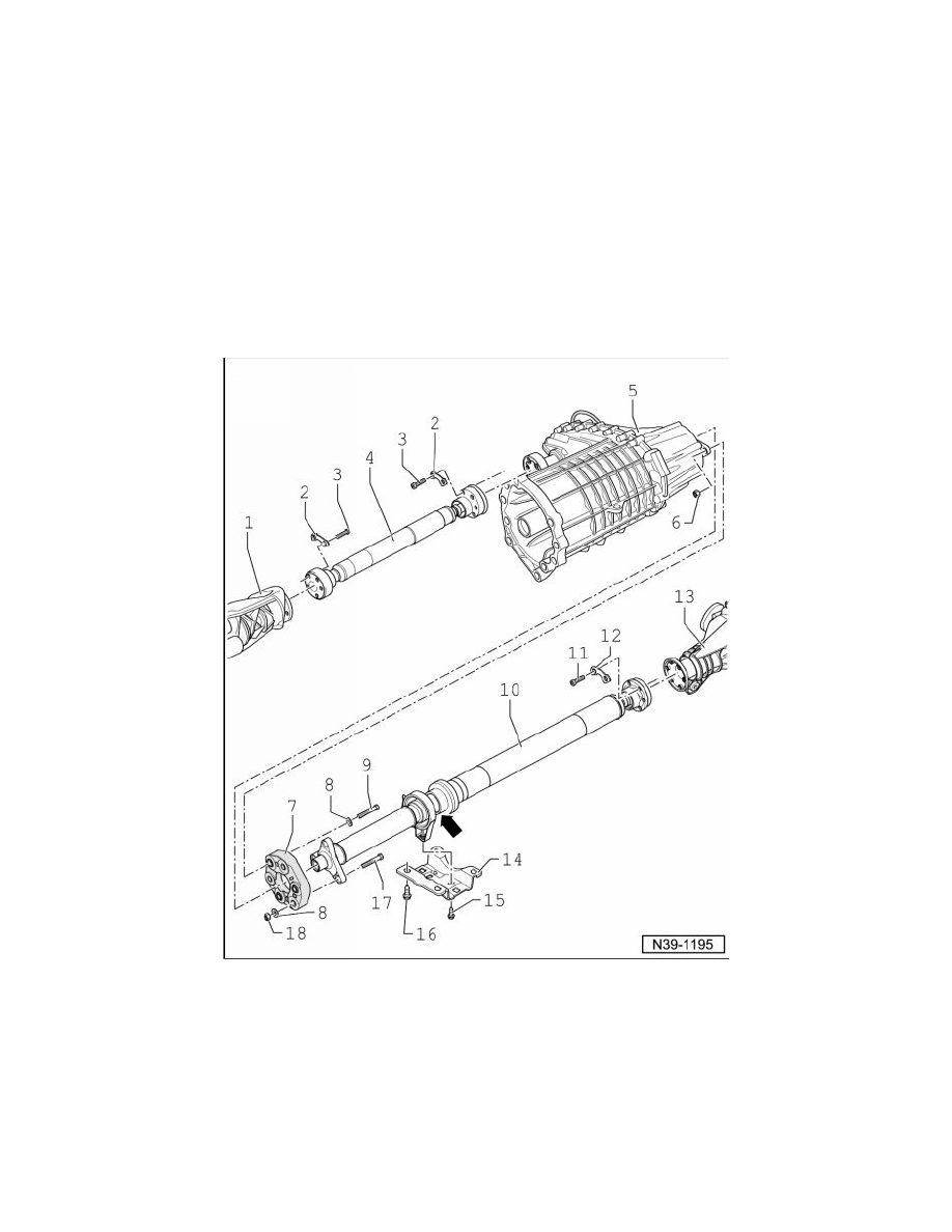
Driveshaft Assembly Overview
‹› No repairs may be performed on the driveshafts.
‹› Do not flex the rear driveshaft; store and transport extended.
‹› Store the rear driveshaft with the bracket facing upwards.
‹› Before removing, mark the positions of all parts in relation to each other. Reinstall in the same position otherwise imbalance will be excessive,
the bearings could be damaged causing rumbling noises.
‹› If the front or rear driveshaft is disconnected only from the transfer case or only from its respective final drive, it must be tied up or supported.
‹› If customer complaints arise (noises, vibration) regarding the front or rear driveshaft, turn the respective driveshaft on the final drive the distance
of one bolt hole before bolting on again. This procedure can be repeated 5 times on the final drives and twice on back of the transfer case.
1
Front final drive
‹› Colored markings on the driveshaft flange and on the front driveshaft must line up.
2
Lock plate
3
Bolt, 30 Nm and turn 90° further
‹› Always replace.
4
Front driveshaft