Audi Workshop Service and Repair Manuals
HOME
FEATURES
MENU
INDEX
ABOUT US
Electrical Diagrams|USA|Page 3057 >
< Electrical Diagrams|USA
4000S Quattro L5-2144cc 2.14L SOHC (JT) (1985)
Heating and Air Conditioning
Blower Motor / Component Information
Diagrams
Electrical Diagrams / USA
Page 3056
Page 2
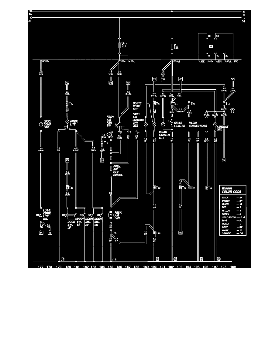
Main Wiring Diagram
Heating and Air Conditioning
Blower Motor / Component Information
Diagrams
Electrical Diagrams / USA
Page 3056
Electrical Diagrams|USA|Page 3057 >
< Electrical Diagrams|USA