A1
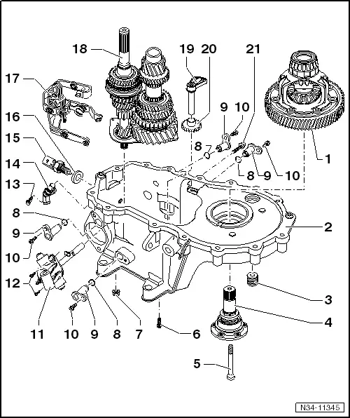
| Exploded view - input shaft, output shaft, differential, selector mechanism and selector forks |
Note| Securing gearbox to assembly stand → Chapter |

| 1 - | Differential |
| q | Removing and installing → Chapter |
| q | Dismantling and assembling → Chapter |
| 2 - | Gearbox housing |
| q | Servicing → Chapter |
| 3 - | Oil drain plug |
| q | Tightening torque → Fig. |
| 4 - | Flange shaft with spring |
| q | Removing and installing → Chapter |
| q | Assembling → Chapter |
| 5 - | Countersunk bolt |
| q | Tightening torque → Item |
| 6 - | Bolt |
| q | 5 Nm + 90° |
| q | Secures bearing mounting with grooved ball bearings for input and output shafts → Item |
| q | Self-locking |
| q | Renew |
| 7 - | Hexagon flange nut |
| q | 23 Nm |
| q | For selector mechanism → Item |
| q | Self-locking |
| q | Renew |
| 8 - | O-ring |
| q | Renew |
| 9 - | Pivot pin |
| 10 - | Bolt |
| q | 5 Nm + 90° |
| q | Renew |
| 11 - | Selector shaft with selector mechanism cover |
| q | Selector unit |
| q | Dismantling and assembling → Chapter |
| 12 - | Bolt |
| q | 5 Nm + 90° |
| q | Renew |
| 13 - | Bolt |
| q | 6 Nm |
| 14 - | Gearbox neutral position sender -G701- |
| q | For vehicles with start/stop system |
| 15 - | Reversing light switch -F4- |
| q | 20 Nm |
| q | With captive seal; seal does not have to be renewed |
| 16 - | Seal |
| q | Captive seal; does not have to be renewed |
| 17 - | Selector mechanism |
| q | Selector forks |
| q | Dismantling and assembling → Chapter |
| 18 - | Input and output shafts with bearing mounting for grooved ball bearings |
| q | If bearing mounting is separated from gearbox housing, it must always be renewed |
| q | Removing and installing → Chapter |
| q | Pressing bearing mounting on and off → Chapter |
| q | Dismantling and assembling input shaft → Chapter |
| q | Dismantling and assembling output shaft → Chapter |
| 19 - | Reverse gear shaft |
| 20 - | Reverse gear wheel |
| 21 - | Bolt |
| q | M6 - 5 Nm + 90° |
| q | M8 - 25 Nm + 45° |
| q | For reverse gear shaft |
| q | Renew |
