audi Workshop Repair Guides

Audi Workshop Service and Repair Manuals

ABS/EDL/TCS/ESP Mark 20 IE > < Adjusting brake light switch
Brake System
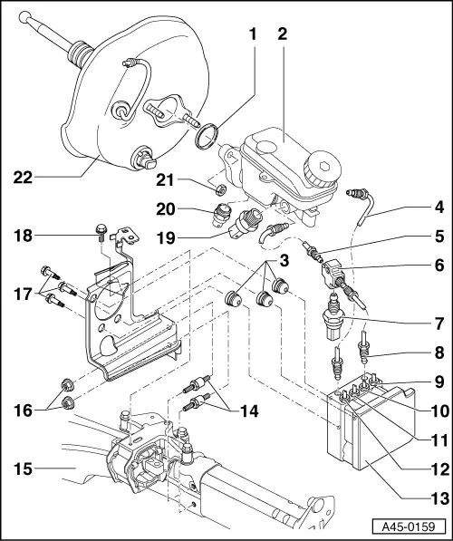
Hydraulic unit, brake servo/brake master cylinder - assembly overview - 3 litre
Hydraulic unit, brake servo/brake master cylinder - assembly overview - 3 litre
 
A45-0159

ABS/EDL/TCS/ESP Mark 20 IE > < Adjusting brake light switch