audi Workshop Repair Guides

Audi Workshop Service and Repair Manuals

Checking a "two-wire bus system” > < Checking gearbox speed sender G38 with 2-pin connector
CAN bus
CAN bus
Bus:
Bus is the term used to describe a data transfer and distribution system.
CAN:
A Controller Area Network is a bus system operating with two wires. They are called bus wires. The bus wires transmit data signals in serial form (one after the other) to the control units connected to the system.
   
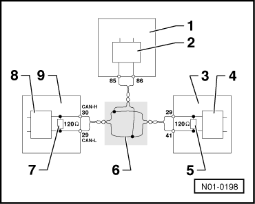
The following control units communicate via the bus, i.e. data exchange between the various control units is carried out via the CAN data bus.
1 - Automatic gearbox control unit -J217-
2 - BUS driver
3 - Engine control unit
4 - BUS driver
5 - Matching resistor
6 - Drivetrain data bus (CAN bus, two wires twisted together)
7 - Matching resistor
8 - BUS driver
9 - ABS control unit -J104-
  N01-0198

Checking a "two-wire bus system” > < Checking gearbox speed sender G38 with 2-pin connector