Audi Workshop Service and Repair Manuals
HOME
FEATURES
MENU
INDEX
ABOUT US
Exploded view - gear knob and gear lever boot >
< Removing and installing clutch (LuK version)
A3 Mk2
Power transmission
6-speed manual gearbox 02Q, four-wheel drive
Gearbox mechanics,operation, construction,diff.
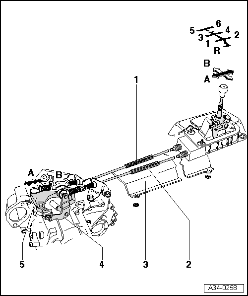
Overview - selector mechanism
Overview - selector mechanism
Overview - selector mechanism
-Arrow A-
gear selection movement
-Arrow B-
gate selection movement
1 -
Gear selector cable
2 -
Gate selector cable
3 -
Heat shield
q
Detach before removing selector mechanism
4 -
Gate relay lever
5 -
Gearbox selector lever
Power transmission
6-speed manual gearbox 02Q, four-wheel drive
Gearbox mechanics,operation, construction,diff.
Overview - selector mechanism
Exploded view - gear knob and gear lever boot >
< Removing and installing clutch (LuK version)