A3 Mk2

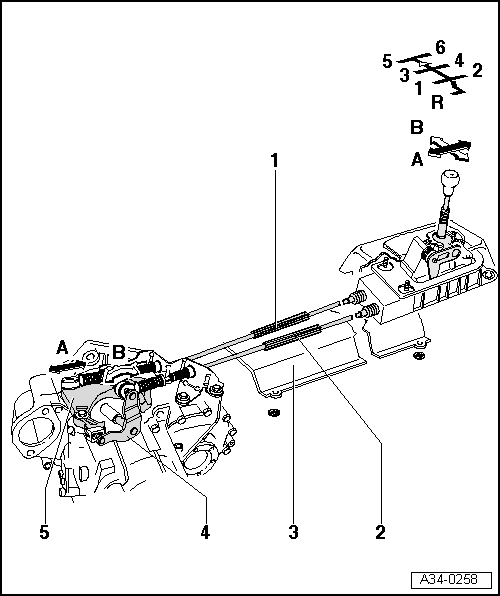
| 1 - | Gear selector cable |
| 2 - | Gate selector cable |
| 3 - | Heat shield |
| q | Detach before removing selector mechanism |
| 4 - | Gate relay lever |
| 5 - | Gearbox selector lever |

| 1 - | Gear selector cable |
| 2 - | Gate selector cable |
| 3 - | Heat shield |
| q | Detach before removing selector mechanism |
| 4 - | Gate relay lever |
| 5 - | Gearbox selector lever |