A3 Mk2
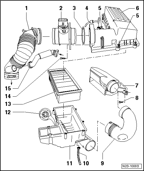
| Air cleaner - exploded view |

| 1 - | Air hose |
| q | To turbocharger |
| 2 - | Air mass meter -G70- |
| q | Removing and installing → Chapter |
| 3 - | O-ring |
| q | Renew if damaged |
| 4 - | Vent hose |
| q | To charge pressure control solenoid valve -N75- |
| 5 - | Bolt |
| q | 8 Nm |
| 6 - | Air cleaner (top section) |
| q | Check for dirt and accumulated leaves, etc. |
| 7 - | Air duct |
| q | Bolted to lock carrier |
| 8 - | Bolt |
| q | 5 Nm |
| 9 - | Air hose |
| q | Check for dirt and accumulated leaves, etc. |
| 10 - | Water drain hose |
| q | IMPORTANT: Check for obstructions, clean if necessary |
| 11 - | Air cleaner (bottom section) |
| q | Clean any salt deposits or leaves and dirt out of air cleaner housing (bottom section) |
| 12 - | 10 Nm |
| 13 - | Air filter element |
| q | Always use genuine part for air filter element |
| q | Observe change intervals → Booklet808 |
| q | Removing and installing → Chapter |
| 14 - | Bolt |
| q | 3.5 Nm |
| 15 - | Crankcase breather hose |
