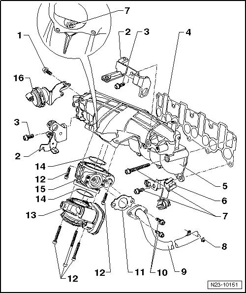
A3 Mk2
| Intake manifold for vehicles with engine codes BMN, BUY - exploded view of components |

| 1 - | 10 Nm |
| 2 - | Bracket |
| 3 - | 22 Nm |
| 4 - | Gasket |
| q | Renew |
| 5 - | Intake manifold |
| q | With air flow control |
| 6 - | Cable retainer |
| 7 - | 22 Nm |
| 8 - | 10 Nm |
| 9 - | Connecting pipe |
| q | To exhaust gas recirculation cooler |
| 10 - | 22 Nm |
| 11 - | Gasket |
| q | Renew |
| 12 - | 10 Nm |
| 13 - | Intake manifold flap motor -V157- |
| q | Removing and installing → Chapter |
| 14 - | O-ring |
| q | Renew |
| 15 - | Exhaust gas recirculation valve -N18- with exhaust gas recirculation potentiometer -G212- |
| q | Removing and installing → Rep. Gr.26 |
| 16 - | Vacuum unit |
| q | For air flow control |
