A4 Cabriolet Mk2

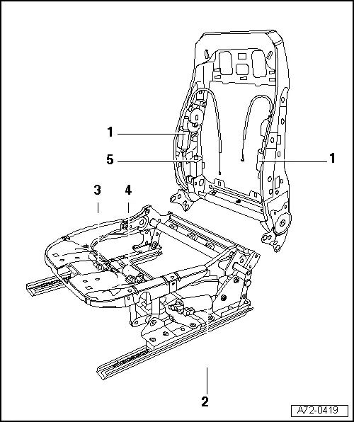
| 1 - | Motors for lumbar support adjustment (2x) |
| q | Remove seat → Chapter. |
| – | Attach seat repair stand -VAS 6136- to engine and gearbox support -VAS 6095-. |
| – | Attach front seat to seat repair stand -VAS 6136-. |
| q | Remove backrest cover panel → Chapter. |
| q | Unplug connector. |
| q | Remove bolts. |
| q | Disengage Bowden cable at four-way lumbar support. |
| q | Renew motor. |
| 2 - | Seat height adjustment motor |
| 3 - | Seat rake adjustment motor |
| 4 - | Seat longitudinal adjustment motor |
| 5 - | Backrest adjustment motor |

Note