A4 Cabriolet Mk2
Note
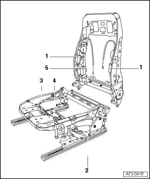
|

| 1 - | Motors for lumbar support adjustment (2x) |
| 2 - | Seat height adjustment motor |
| t | Removing |
| – | Remove seat → Chapter. |
| – | Attach seat repair stand -VAS 6136- to engine and gearbox support -VAS 6095-. |
| – | Attach front seat to seat repair stand -VAS 6136-. |
| – | Remove side trim (sill side) → Chapter. |
| – | Remove side trim (tunnel side) → Chapter. |
| – | Remove backrest → Chapter. |
| – | Remove seat pan cover and padding → Chapter. |
| – | Remove control unit → Chapter. |
| – | Remove belt buckle → Chapter. |
| – | Remove spring mat with seat pan wiring harness → Chapter. |
| – | Detach upper frame of seat pan from lower frame of seat pan. |
| 3 - | Seat rake adjustment motor |
| 4 - | Seat longitudinal adjustment motor |
| 5 - | Backrest adjustment motor |

Note