A4 Cabriolet Mk2
Note
|

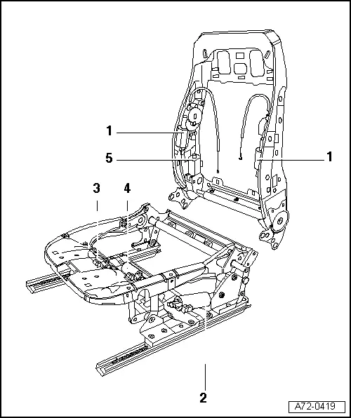
| 1 - | Motors for lumbar support adjustment (2x) |
| 2 - | Seat height adjustment motor |
| 3 - | Seat rake adjustment motor |
| 4 - | Seat longitudinal adjustment motor |
| 5 - | Backrest adjustment motor |
Note
|

| 1 - | Motors for lumbar support adjustment (2x) |
| 2 - | Seat height adjustment motor |
| 3 - | Seat rake adjustment motor |
| 4 - | Seat longitudinal adjustment motor |
| 5 - | Backrest adjustment motor |