A4 Cabriolet Mk2
| Removing and installing spring mat with wiring harness for seat pan |

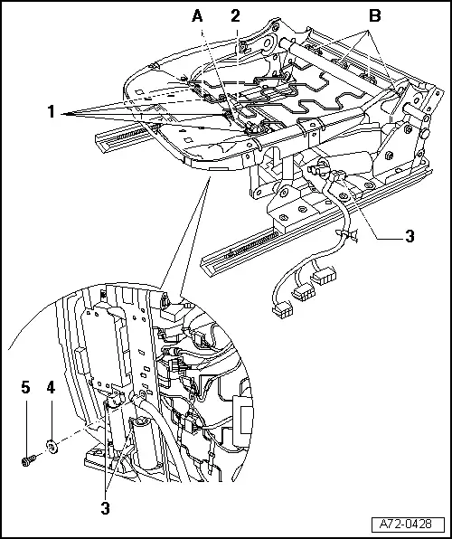
| 1 - | Cable ties (4x) |
| 2 - | Spring mat with wiring harness |
| t | Removing |
| – | Remove seat → Chapter. |
| – | Attach seat repair stand -VAS 6136- to engine and gearbox support -VAS 6095-. |
| – | Attach front seat to seat repair stand -VAS 6136-. |
| – | Remove side trim (sill side) → Chapter. |
| – | Remove side trim (tunnel side) → Chapter. |
| – | Remove backrest → Chapter. |
| – | Remove seat pan cover and padding → Chapter. |
| – | Remove cable ties -1- (4x). |
| – | Disengage spring mat -2- at locations marked -A- (2x). |
| – | Disengage spring mat -2- at locations marked -B- (4x). |
| – | Tilt seat to the side. |
| – | Unplug connectors -3- (3x). |
| – | Slacken off bolt -5-. |
| – | Detach spring mat with wiring harness -2-. |
| t | Installing |
| – | Install in reverse order of removal. |
| 3 - | Connector (3x) |
| 4 - | Washer |
| 5 - | Bolt |
