
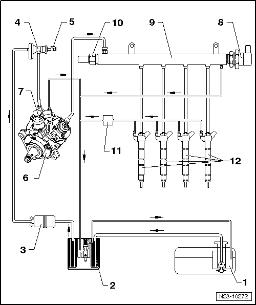
Caution | The high-pressure pump has very close tolerances and must not be allowed to run without fuel. To prevent this and to enable the engine to start quickly after parts have been renewed, it is important to observe the following: |
| t
| If components of the fuel system between the fuel tank and the high-pressure pump are removed or renewed, the fuel system must be bled → Chapter. |
| t
| If the high-pressure pump is removed or renewed, the first fuel filling operation must be performed before the engine is started for the first time → Chapter. |
|

Note | The high-pressure pump will be damaged if the first fuel filling operation is not performed. |
|
|
|