audi Workshop Repair Guides

Audi Workshop Service and Repair Manuals

Connectors for "concert" / "symphony" radios > < Radio system - layout (saloon)
Radio system - layout (Avant)
   
Radio system - layout (Avant)
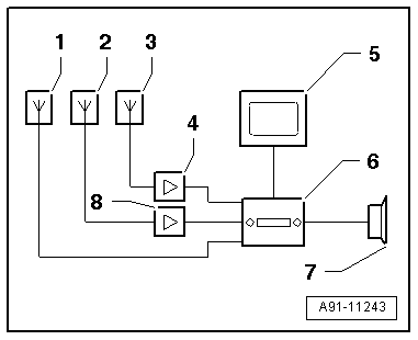
1 - Radio, telephone and navigation system aerial -R52- (satellite aerial -R170-), roof aerial
2 - Rear window aerial 1 -R130- in rear window
3 - Aerial -R11- in side window (left-side)
4 - Aerial amplifier 3 -R112- behind left C-pillar trim
5 - Display unit for front information display and operating unit control unit -J685- in dash panel
6 - Radio -R- in dash panel
7 - Sound systems
8 - Aerial amplifier -R24- behind rear lid trim (top)
  A91-11243

Connectors for "concert" / "symphony" radios > < Radio system - layout (saloon)