audi Workshop Repair Guides

Audi Workshop Service and Repair Manuals

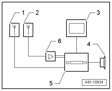
Radio system - layout (Avant) > < Overview
Radio system - layout (saloon)
   
Radio system - layout (saloon)
1 - Radio, telephone and navigation system aerial -R52- (satellite aerial -R170-), roof aerial
2 - Aerial -R11- in rear window
3 - Display unit for front information display and operating unit control unit -J685- in dash panel
4 - Sound systems
5 - Radio -R- in dash panel
6 - Aerial amplifier 3 -R112- behind left D-pillar trim
  A91-10934

Radio system - layout (Avant) > < Overview