A6 Quattro Sedan V8-4.2L (BVJ) (2007)
Lock Carrier: Removal and Replacement
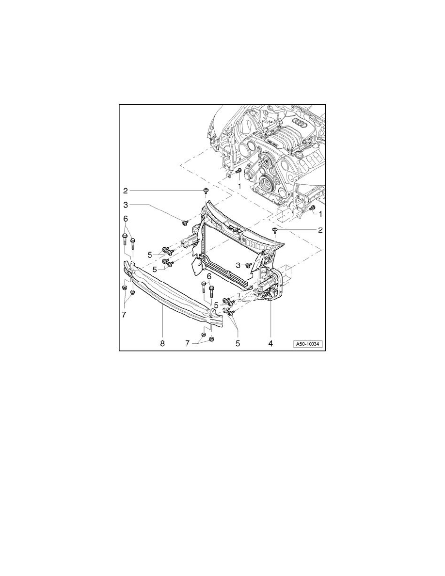
Lock Carrier With Attachments, Removing And Installing
CAUTION: On vehicles with distance regulation (ACC), observe the following.
If crossmember is removed and re-installed or changes are made to ACC bracket, distance regulation adjustment must be carried out.
Assembly overview
1
-
Combination screw
-
Only accessible after removing noise insulation
-
10 Nm
2
-
Combination screw
-
10 Nm
3
-
Combination screw
-
10 Nm
4
-
Lock carrier
-
Removal:
-
Remove bumper.
-
Remove noise insulation.
-
Disengage release for hood lock.
-
Remove engine cover - 2 - and - 3 -.
-
Remove intake air duct between lock carrier and air cleaner housing at lock carrier.
-
Disconnect electrical connections.
-
Drain engine coolant and disconnect coolant pipes and.
-
Remove condenser from water cooler only (do not disconnect lines)
-
Secure A/C system condenser using wire e.g. to front wheel.
NOTE: Do not hang condenser on lines. Condenser lines should not be pinched under any circumstances.
