audi Workshop Repair Guides

Audi Workshop Service and Repair Manuals

Connectors on Steering Column Electronic Systems Control Module J527|Page 13453 > < Connectors on Steering Column Electronic Systems Control Module J527|Page 13451
Page 1
background image

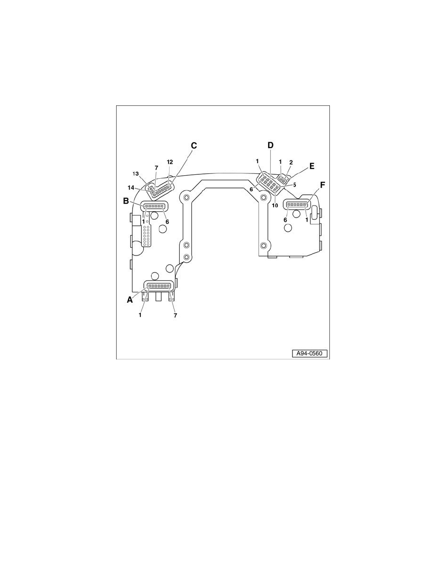
Steering Mounted Controls Communication Module: Connector Views
Connector Assignment on Steering Column Electronic Systems Control Module J527 - Front Side

Connector Assignment On Steering Column Electronic Systems Control Module J527 - Front Side 

The Steering Column Electronic Systems Control Module J527 is part of the complete system "steering column switch module (SCSM)". It receives its
signals e.g. from steering column switch.

Checking Steering Column Electronic Systems Control Module J527.

A - Cruise control system harness connector

1. Ground (GND)
2. -Fix
3. Distance
4. 12 V voltage supply
5. Resume/touch "Off"
6. Acceleration/Deceleration
7. Locked "Off"

B - Turn signal harness connector

1. Ground (GND)
2. Radio remote control (special vehicles)
3. Alarm (special vehicles)
4. not occupied
5. Flasher/light change-over
6. Blinking

C - Harness connector of multi-function steering wheel/Tiptronic/heated steering wheel

7. Tip- "-"
8. Multi-function steering wheel "+".Voltage supply
9. Multi-function steering wheel data

10. Tip- "+"
11. Multi-function steering wheel dimmer

Connectors on Steering Column Electronic Systems Control Module J527|Page 13453 > < Connectors on Steering Column Electronic Systems Control Module J527|Page 13451