A6 Quattro Sedan V8-4.2L (BVJ) (2007)
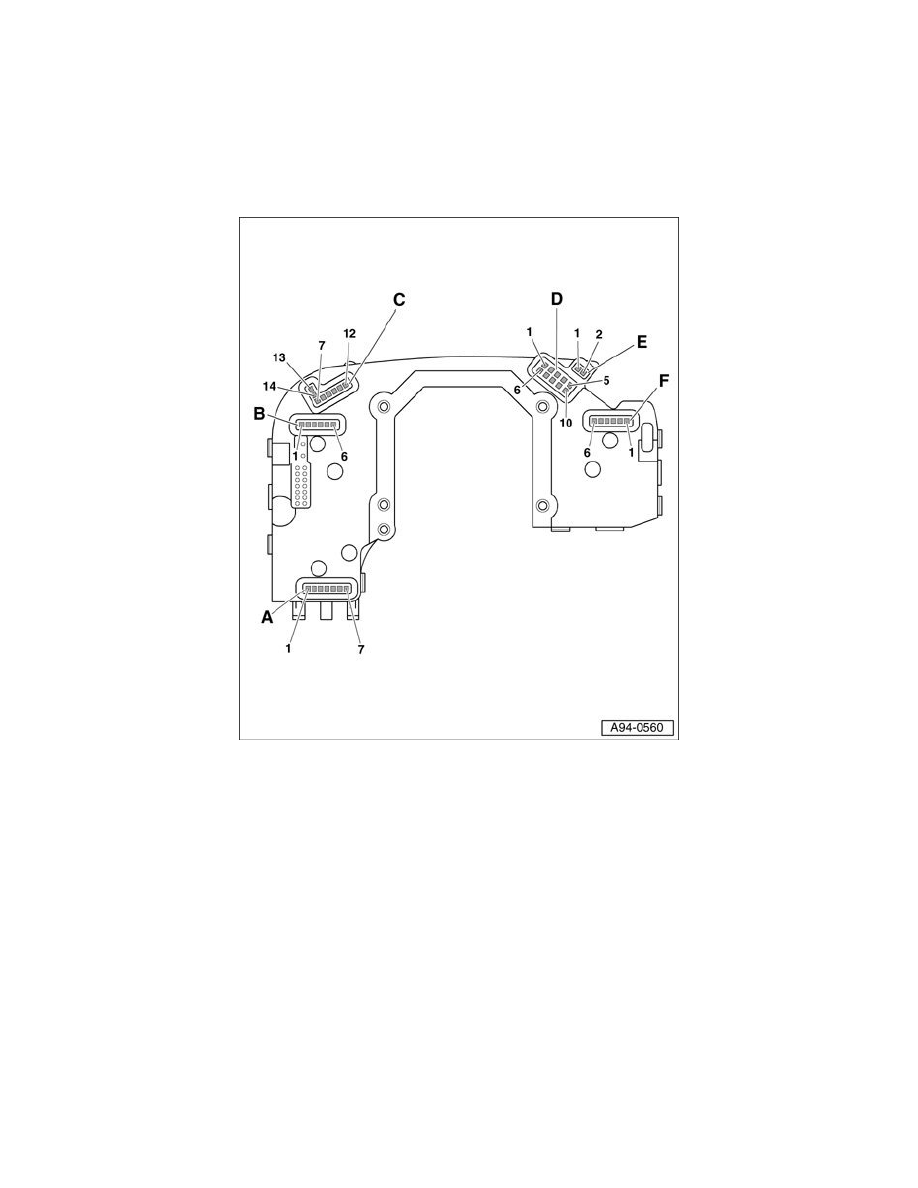
Steering Mounted Controls Communication Module: Connector Views
Connector Assignment on Steering Column Electronic Systems Control Module J527 - Front Side
Connector Assignment On Steering Column Electronic Systems Control Module J527 - Front Side
The Steering Column Electronic Systems Control Module J527 is part of the complete system "steering column switch module (SCSM)". It receives its
signals e.g. from steering column switch.
Checking Steering Column Electronic Systems Control Module J527.
A - Cruise control system harness connector
1. Ground (GND)
2. -Fix
3. Distance
4. 12 V voltage supply
5. Resume/touch "Off"
6. Acceleration/Deceleration
7. Locked "Off"
B - Turn signal harness connector
1. Ground (GND)
2. Radio remote control (special vehicles)
3. Alarm (special vehicles)
4. not occupied
5. Flasher/light change-over
6. Blinking
C - Harness connector of multi-function steering wheel/Tiptronic/heated steering wheel
7. Tip- "-"
8. Multi-function steering wheel "+".Voltage supply
9. Multi-function steering wheel data
10. Tip- "+"
11. Multi-function steering wheel dimmer
