A6 Quattro Wagon V6-3.2L (BKH) (2006)
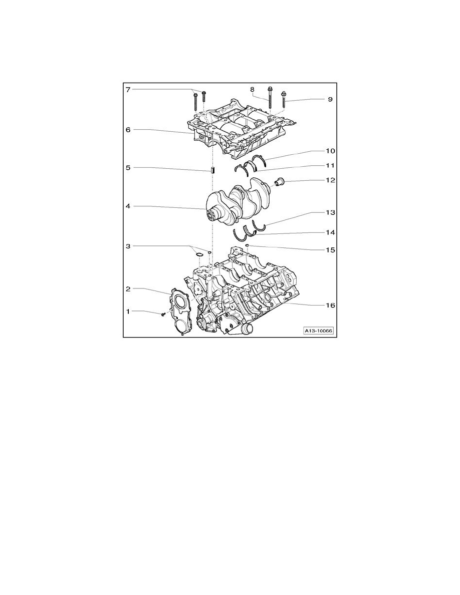
Crankshaft: Locations
Crankshaft, removing and installing
Note:
^
Secure engine to engine and transmission holder VAS 6095 when working on engine.
1. 9 Nm
^
Fasten in diagonal sequence in steps
2. Sealing flange, front
3. Seals
^
Replace
4. Crankshaft
^
Do not turn crankshaft when measuring radial play
5. Alignment bushing
^
4 pieces
^
Insert into guide frame
6. Bearing bracket
^
Sealant application
^
Tightening sequence for manifold mounting bolts
7. Bolt
^
For sealing surfaces of cylinder block/guide frame
^
Varying bolt lengths and bolt heads
^
Tightening order
8. Long bolt, small shoulder
^
For inner row of guide frame
