A6 Quattro Wagon V6-3.2L (BKH) (2006)
Steering Gear: Procedures
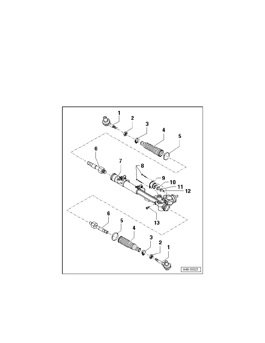
Power Steering Gear, Servicing
Power Steering Gear, Servicing
Special tools, testers and auxiliary items required
‹› Hose clamp pliers (V.A.G 1275)
‹› Torque Wrench (V.A.G 1332)
‹› Steering gear grease (AOF 063 000 04)
‹› Always replace self-locking nuts and bolts.
‹› Welding or straighten work on any steering components is not permissible.
‹› To grease the rack, only use steering gear grease.
1
Tie rod end
‹› Removing and installing, refer to => [ Tie Rod Ball Joint ] See: Tie Rod/Service and Repair/Tie Rod Ball Joint
‹› Check dust caps for damage and correct seating
2
Lock nut
‹› 55 Nm
