Q7 Quattro V6-3.6L (BHK) (2007)
Transfer Case Mount: Service and Repair
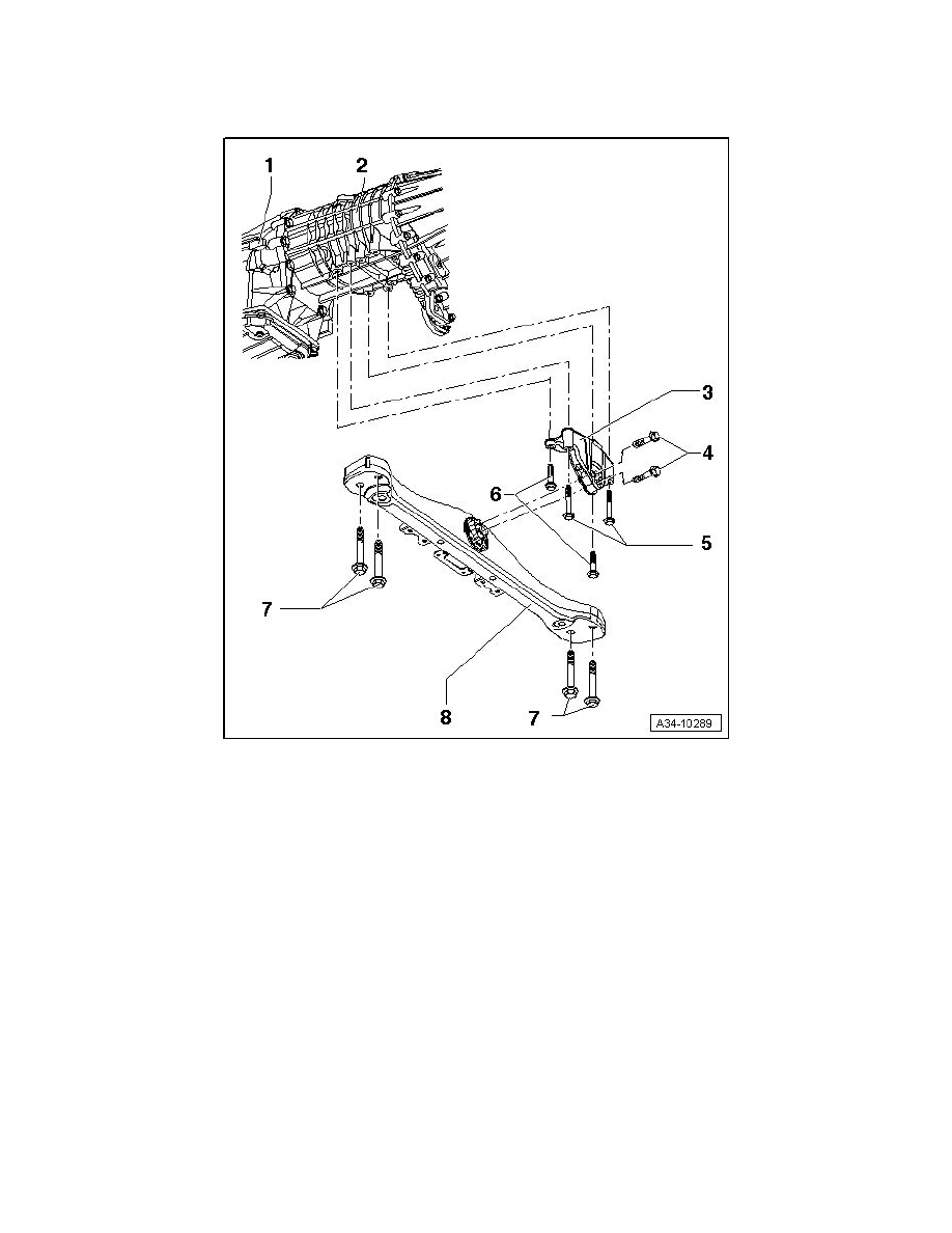
Transmission Support and Bracket Assembly Overview
Transmission Support and Bracket Assembly Overview
1
Transmission
2
Transfer Case
‹› Removing and installing, refer to: 3.6L FSI => [ Transfer Case ] See: Service and Repair/Removal and Replacement/Transfer Case, 4.2L FSI
=> [ Transfer Case ] See: Service and Repair/Removal and Replacement/Transfer Case, 3.0L TDI => [ Transfer Case ] See: Service and
Repair/Removal and Replacement/Transfer Case
3
Bracket
‹› Removing and installing, refer to => [ Transmission Carrier and Console ] See: Transmission Carrier and Console
‹› Allocation.
4
Bolt
‹› 50 Nm plus an additional 90° (1/4 turn)
‹› Replace
5
Bolt
‹› 20 Nm
