Cadillac Workshop Service and Repair Manuals
HOME
FEATURES
MENU
INDEX
ABOUT US
Amplifier, Sound System|Locations|Page 7740 >
< OnStar(R) - Analog Only Systems Information|Page 7735
Catera V6-3.0L VIN R (1997)
Accessories and Optional Equipment
Radio, Stereo, and Compact Disc
Amplifier, Sound System
Component Information
Locations
Page 1
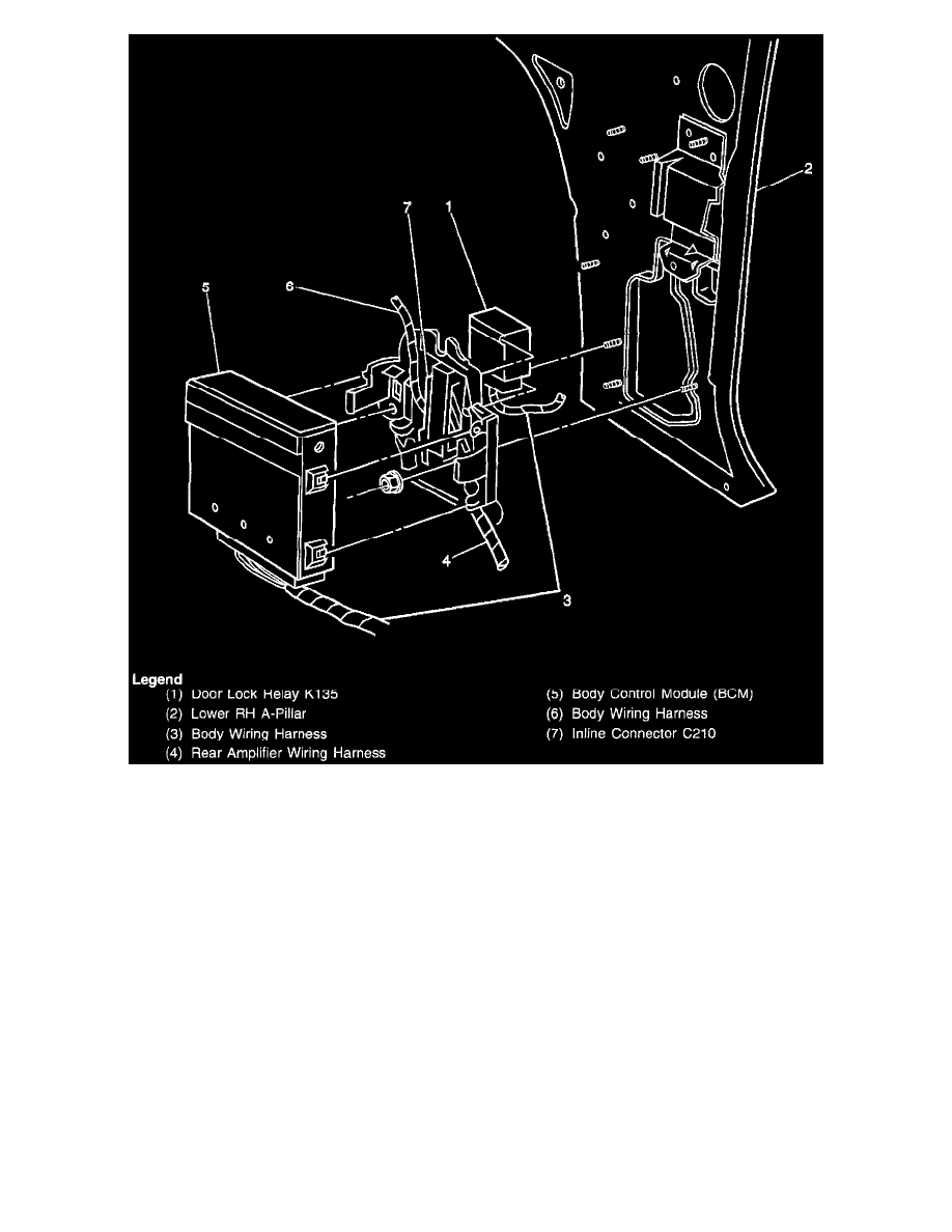
Lower RH A-Pillar And BCM
Accessories and Optional Equipment
Radio, Stereo, and Compact Disc
Amplifier, Sound System
Component Information
Locations
Amplifier, Sound System|Locations|Page 7740 >
< OnStar(R) - Analog Only Systems Information|Page 7735