Cadillac Workshop Service and Repair Manuals
HOME
FEATURES
MENU
INDEX
ABOUT US
Body Control Module|Diagrams >
< Intake Air Temperature Sensor|Specifications|Page 3160
Catera V6-3.0L VIN R (1997)
Powertrain Management
Computers and Control Systems
Body Control Module
Component Information
Locations
Page 1
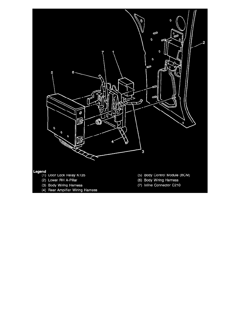
Lower RH A-Pillar And BCM
Powertrain Management
Computers and Control Systems
Body Control Module
Component Information
Locations
Body Control Module|Diagrams >
< Intake Air Temperature Sensor|Specifications|Page 3160