DeVille V8-273 4.5L (1989)
Evaporator Core: Service and Repair
Installation
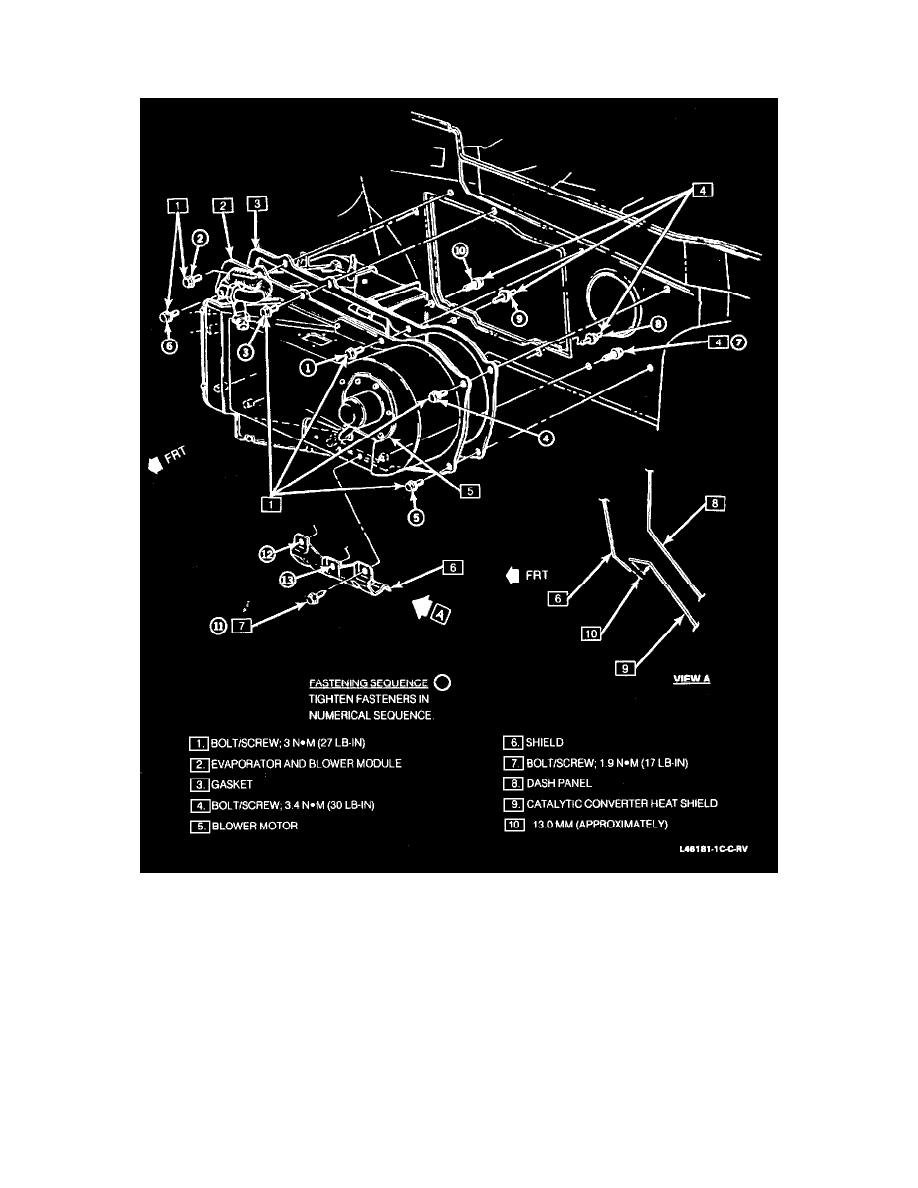
Component Locations
INSTALL OR CONNECT
1. All screws and bolts around barrier insulator.
2. All wiring, connectors and brackets.
3. Manifold heat shield.
4. Blower motor.
5. Upper hose from power steering pump.
6. Accumulator lines
7. Harness brackets on lifter cover.
8. Manifold Absolute Pressure (MAP) sensor; bracket, and attaching rods.
9. Hoses
-
Engine thermostat to evaporator
-
Evaporator to water pump.
10. Harness to front of dash.
