Chrysler Workshop Service and Repair Manuals
HOME
FEATURES
MENU
INDEX
ABOUT US
Diagram Information and Instructions|Page 6455 >
< Diagram Information and Instructions|Page 6453
Town & Country Van AWD V6-230 3.8L VIN L SMFI (1998)
Power and Ground Distribution
Multiple Junction Connector / Diagrams / Diagram Information and Instructions
Page 6454
Page 3
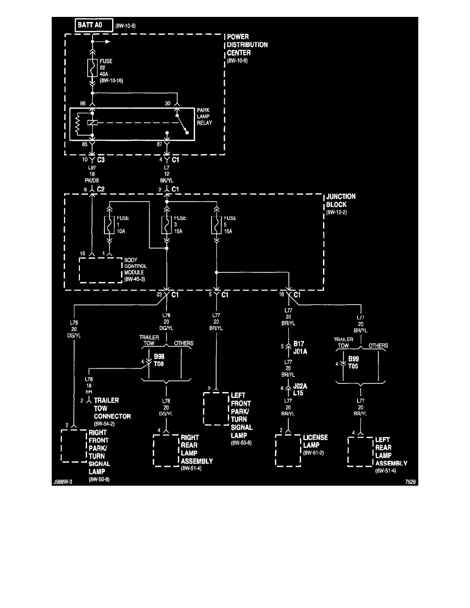
Junction Block (Part 2 Of 16)
Power and Ground Distribution
Multiple Junction Connector / Diagrams / Diagram Information and Instructions
Page 6454
Diagram Information and Instructions|Page 6455 >
< Diagram Information and Instructions|Page 6453