Chrysler Workshop Service and Repair Manuals
HOME
FEATURES
MENU
INDEX
ABOUT US
Diagram Information and Instructions|Page 6456 >
< Diagram Information and Instructions|Page 6454
Town & Country Van AWD V6-230 3.8L VIN L SMFI (1998)
Power and Ground Distribution
Multiple Junction Connector / Diagrams / Diagram Information and Instructions
Page 6455
Page 4
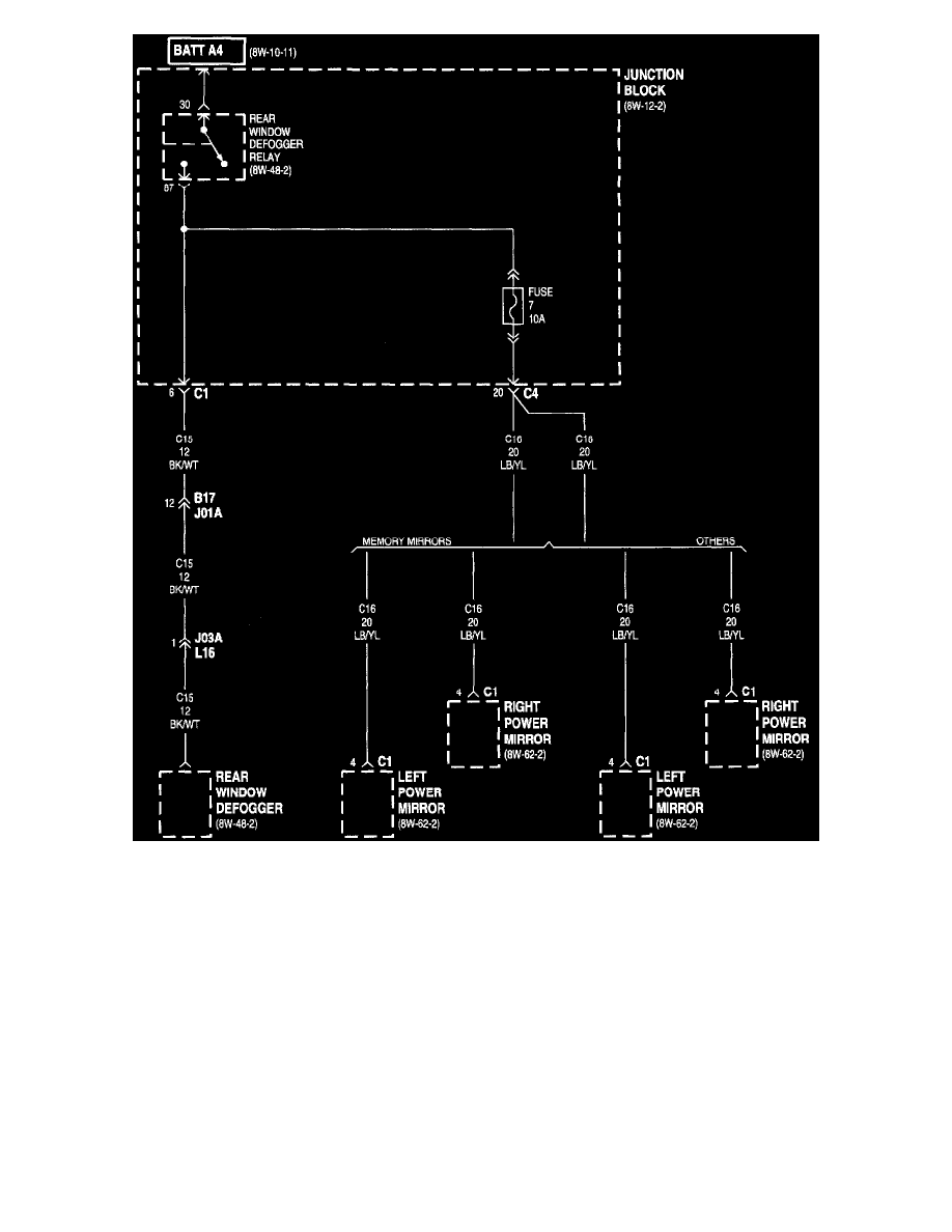
Junction Block (Part 3 Of 16)
Power and Ground Distribution
Multiple Junction Connector / Diagrams / Diagram Information and Instructions
Page 6455
Diagram Information and Instructions|Page 6456 >
< Diagram Information and Instructions|Page 6454