dodge Workshop Repair Guides

Dodge Workshop Service and Repair Manuals

Ignition Coil 1 (3.5L) (Engine) 3 Way|Page 3745 > < Ignition Coil 1 (3.5L) (Engine) 3 Way|Page 3743
Page 1
background image

Ignition Coil: Testing and Inspection

CHECKING THE IGNITION COIL OPERATION - 2.7/3.5

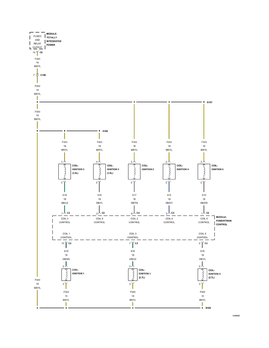
For a complete wiring diagram, refer to the wiring information See: Diagrams/Electrical Diagrams.

1. IGNITION COIL WIRING OR CONNECTORS

Ignition Coil 1 (3.5L) (Engine) 3 Way|Page 3745 > < Ignition Coil 1 (3.5L) (Engine) 3 Way|Page 3743