Dodge Workshop Service and Repair Manuals
HOME
FEATURES
MENU
INDEX
ABOUT US
Diagram Information and Instructions|Page 5741 >
< Diagram Information and Instructions|Page 5739
Challenger V6-3.5L (2009)
Starting and Charging
Power and Ground Distribution / Auxiliary Power Outlet / Component Information
Diagrams / Diagram Information and Instructions
Page 5740
Page 2
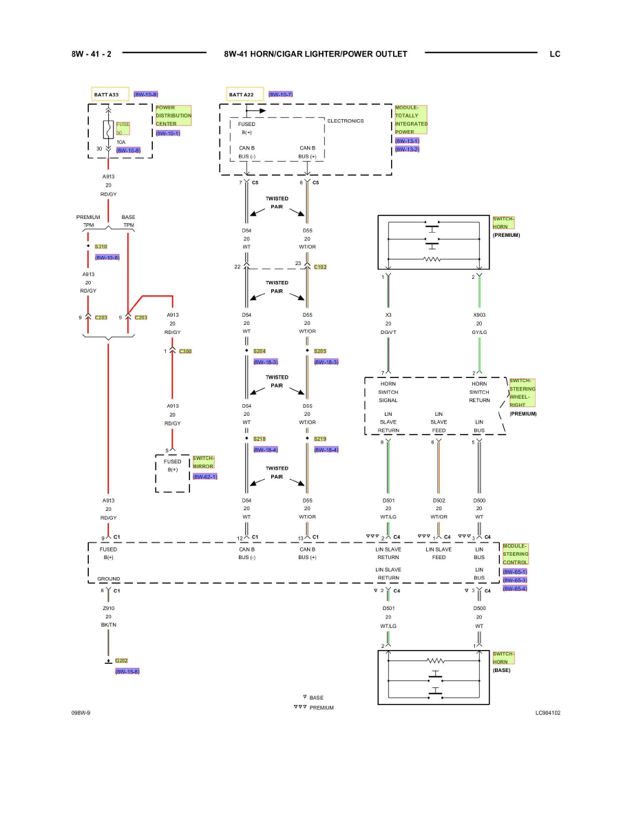
Horn/Cigar Lighter/Power Outlet 8W-41-01
Horn/Cigar Lighter/Power Outlet 8W-41-02
Starting and Charging
Power and Ground Distribution / Auxiliary Power Outlet / Component Information
Diagrams / Diagram Information and Instructions
Page 5740
Diagram Information and Instructions|Page 5741 >
< Diagram Information and Instructions|Page 5739