Challenger V6-3.5L (2009)
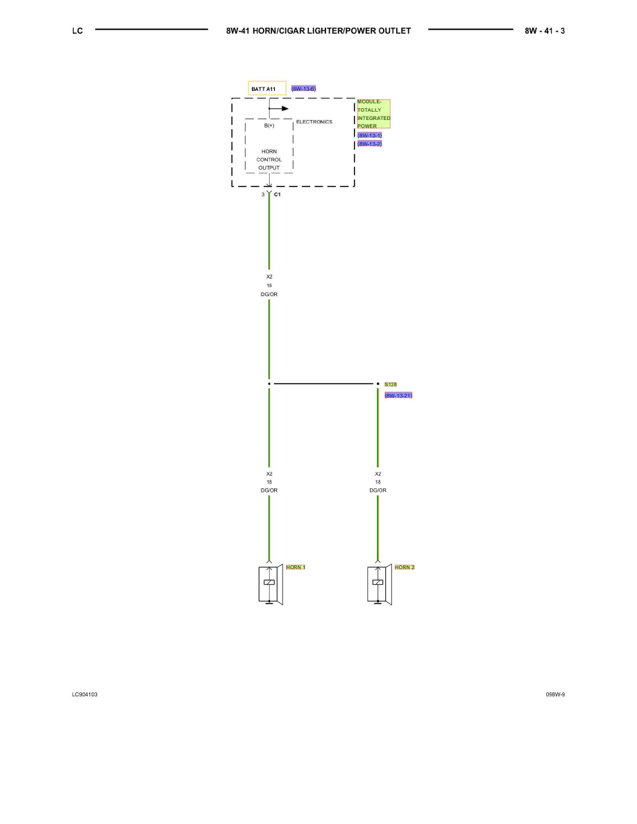
Horn/Cigar Lighter/Power Outlet 8W-41-03
Other Diagrams: Other diagrams referred to by number (i.e. 8W-70-2, etc.) within these diagrams can be found at the vehicle level under Diagrams by
Number See: Diagrams/Electrical Diagrams/Diagrams By Number
