Dodge Workshop Service and Repair Manuals
HOME
FEATURES
MENU
INDEX
ABOUT US
Diagram Information and Instructions|Page 7963 >
< Diagram Information and Instructions|Page 7961
RAM 2500 Truck 4WD V8-5.9L VIN Z LDC (1998)
Instrument Panel, Gauges and Warning Indicators
Relays and Modules - Instrument Panel / Audible Warning Device Control Module / Diagrams / Diagram Information and Instructions
Page 7962
Page 3
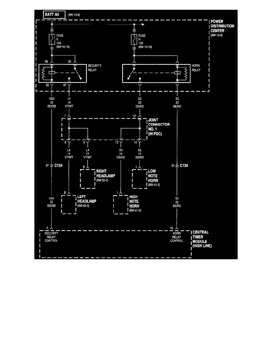
Central Timer Module (Part 3 Of 5)
Instrument Panel, Gauges and Warning Indicators
Relays and Modules - Instrument Panel / Audible Warning Device Control Module / Diagrams / Diagram Information and Instructions
Page 7962
Diagram Information and Instructions|Page 7963 >
< Diagram Information and Instructions|Page 7961