Dodge Workshop Service and Repair Manuals
HOME
FEATURES
MENU
INDEX
ABOUT US
Diagram Information and Instructions|Page 7964 >
< Diagram Information and Instructions|Page 7962
RAM 2500 Truck 4WD V8-5.9L VIN Z LDC (1998)
Instrument Panel, Gauges and Warning Indicators
Relays and Modules - Instrument Panel / Audible Warning Device Control Module / Diagrams / Diagram Information and Instructions
Page 7963
Page 4
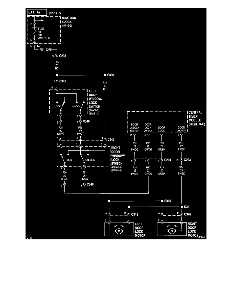
Central Timer Module (Part 4 Of 5)
Instrument Panel, Gauges and Warning Indicators
Relays and Modules - Instrument Panel / Audible Warning Device Control Module / Diagrams / Diagram Information and Instructions
Page 7963
Diagram Information and Instructions|Page 7964 >
< Diagram Information and Instructions|Page 7962