Dodge Workshop Service and Repair Manuals
HOME
FEATURES
MENU
INDEX
ABOUT US
Diagram Information and Instructions|Page 7039 >
< Diagram Information and Instructions|Page 7037
RAM 3500 Truck 2WD V8-5.9L VIN Z LDC (1999)
Accessories and Optional Equipment
Trailer Connector / Diagrams / Diagram Information and Instructions
Page 7038
Page 1
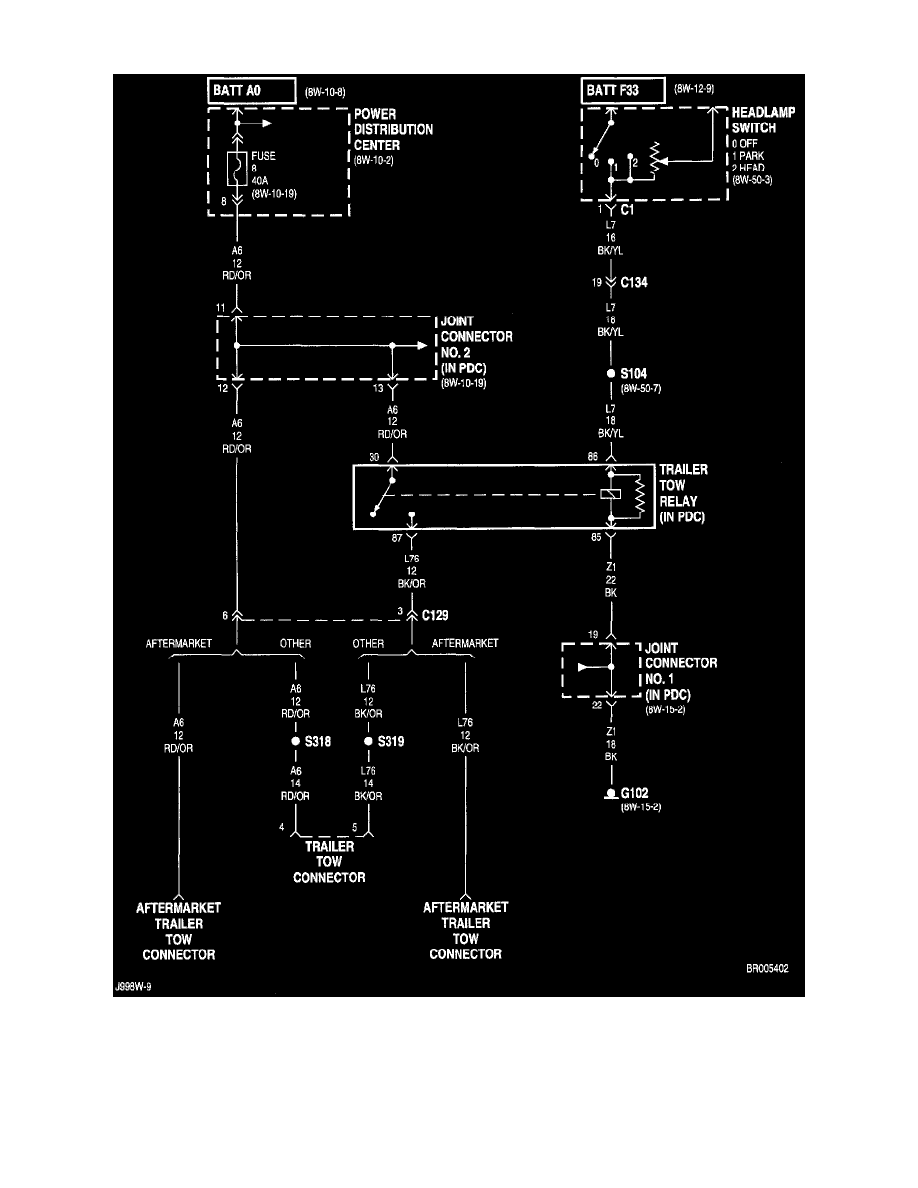
Trailer Connector: Electrical Diagrams
8w-54-2
Accessories and Optional Equipment
Trailer Connector / Diagrams / Diagram Information and Instructions
Page 7038
Diagram Information and Instructions|Page 7039 >
< Diagram Information and Instructions|Page 7037