Dodge Workshop Service and Repair Manuals
HOME
FEATURES
MENU
INDEX
ABOUT US
Diagram Information and Instructions|Page 7040 >
< Diagram Information and Instructions|Page 7038
RAM 3500 Truck 2WD V8-5.9L VIN Z LDC (1999)
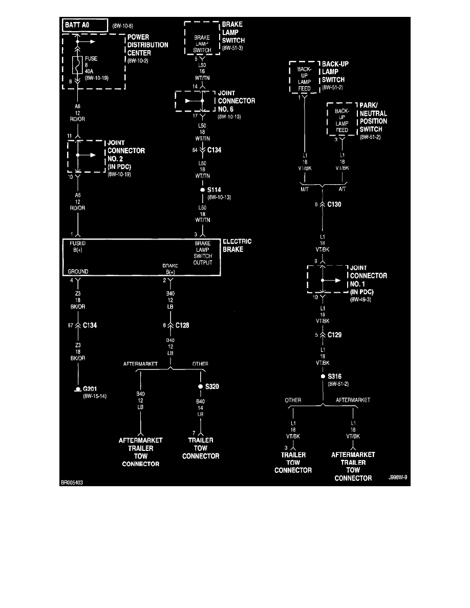
Accessories and Optional Equipment
Trailer Connector / Diagrams / Diagram Information and Instructions
Page 7039
Page 2
8w-54-3
Accessories and Optional Equipment
Trailer Connector / Diagrams / Diagram Information and Instructions
Page 7039
Diagram Information and Instructions|Page 7040 >
< Diagram Information and Instructions|Page 7038