dodge Workshop Repair Guides

Dodge Workshop Service and Repair Manuals

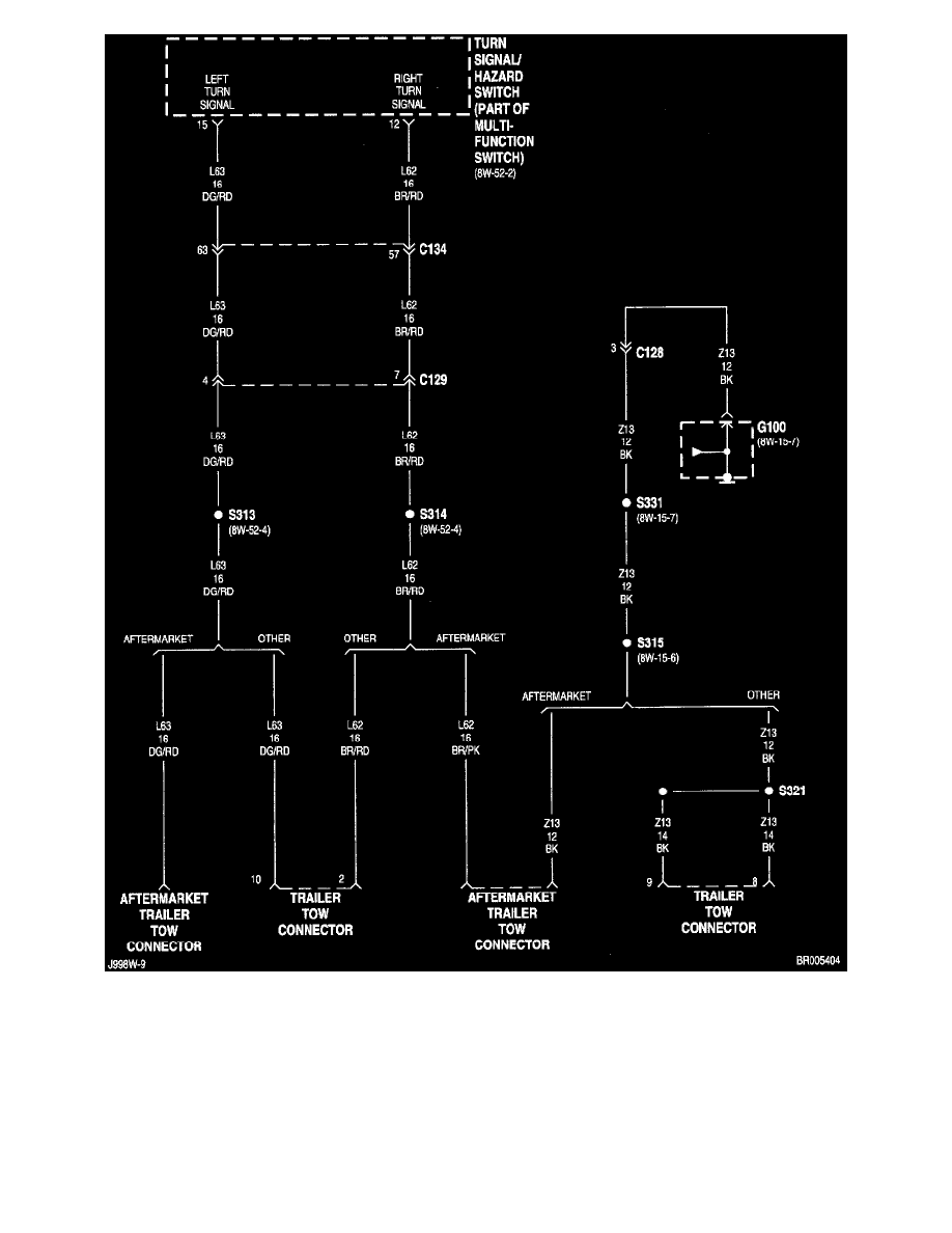
Trip Computer > < Diagram Information and Instructions|Page 7039
Page 3
background image

8w-54-4

 
 

NOTE:  To view sheets referred to in these diagrams, see Complete Body and Chassis Diagrams  See: Diagrams/Electrical Diagrams.

Trip Computer > < Diagram Information and Instructions|Page 7039