Dodge Workshop Service and Repair Manuals
HOME
FEATURES
MENU
INDEX
ABOUT US
Diagram Information and Instructions|Page 1656 >
< Diagram Information and Instructions|Page 1654
RAM 3500 Truck 2WD V8-5.9L VIN Z LDC (1999)
Maintenance
Fuses and Circuit Breakers
Fuse Block / Component Information
Diagrams / Diagram Information and Instructions
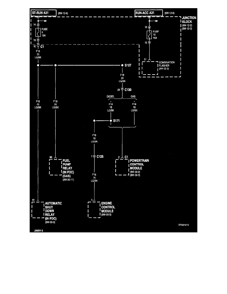
Page 1655
Page 7
8w-12-12
Maintenance
Fuses and Circuit Breakers
Fuse Block / Component Information
Diagrams / Diagram Information and Instructions
Page 1655
Diagram Information and Instructions|Page 1656 >
< Diagram Information and Instructions|Page 1654