Dodge Workshop Service and Repair Manuals
HOME
FEATURES
MENU
INDEX
ABOUT US
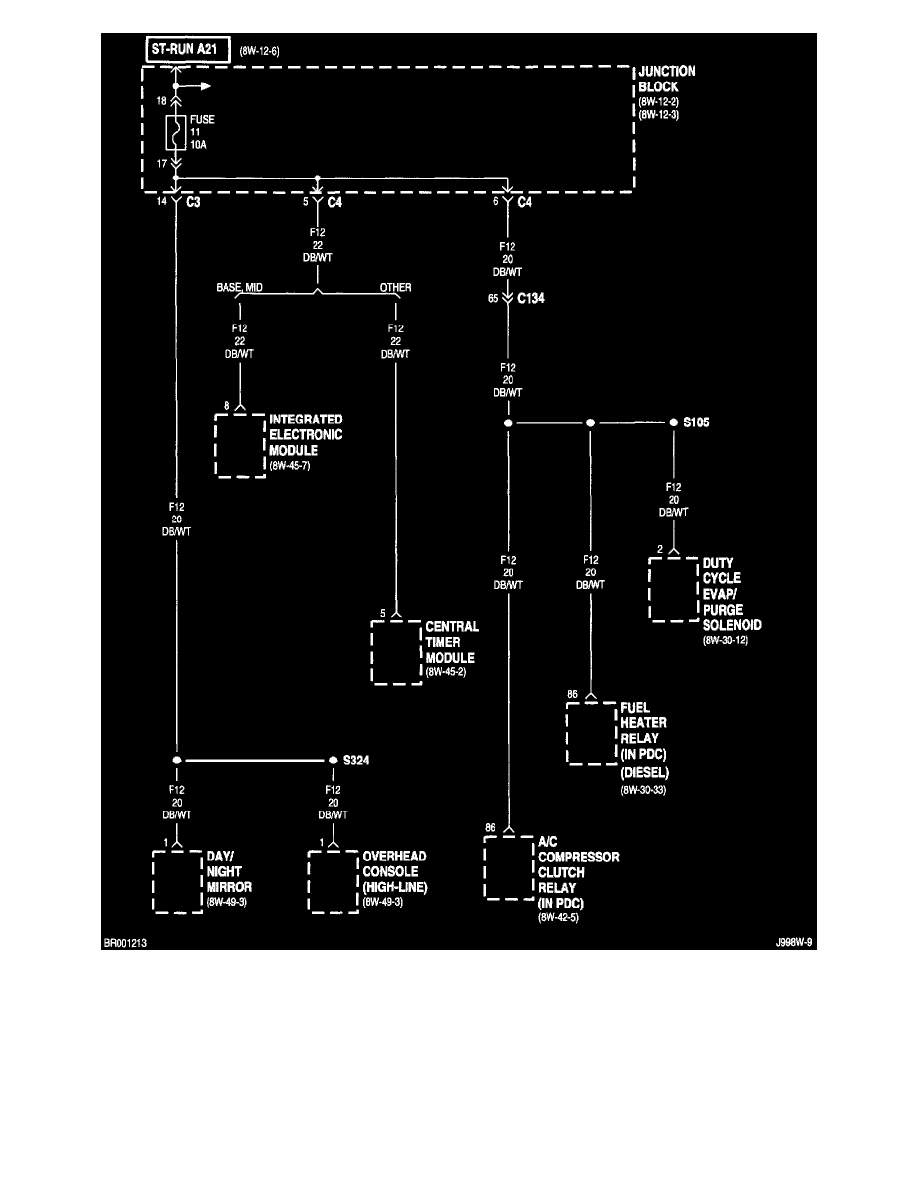
Diagram Information and Instructions|Page 1657 >
< Diagram Information and Instructions|Page 1655
RAM 3500 Truck 2WD V8-5.9L VIN Z LDC (1999)
Maintenance
Fuses and Circuit Breakers
Fuse Block / Component Information
Diagrams / Diagram Information and Instructions
Page 1656
Page 8
8w-12-13
Maintenance
Fuses and Circuit Breakers
Fuse Block / Component Information
Diagrams / Diagram Information and Instructions
Page 1656
Diagram Information and Instructions|Page 1657 >
< Diagram Information and Instructions|Page 1655