Ford Workshop Service and Repair Manuals
HOME
FEATURES
MENU
INDEX
ABOUT US
Diagram Information and Instructions|Page 6968 >
< Diagram Information and Instructions|Page 6966
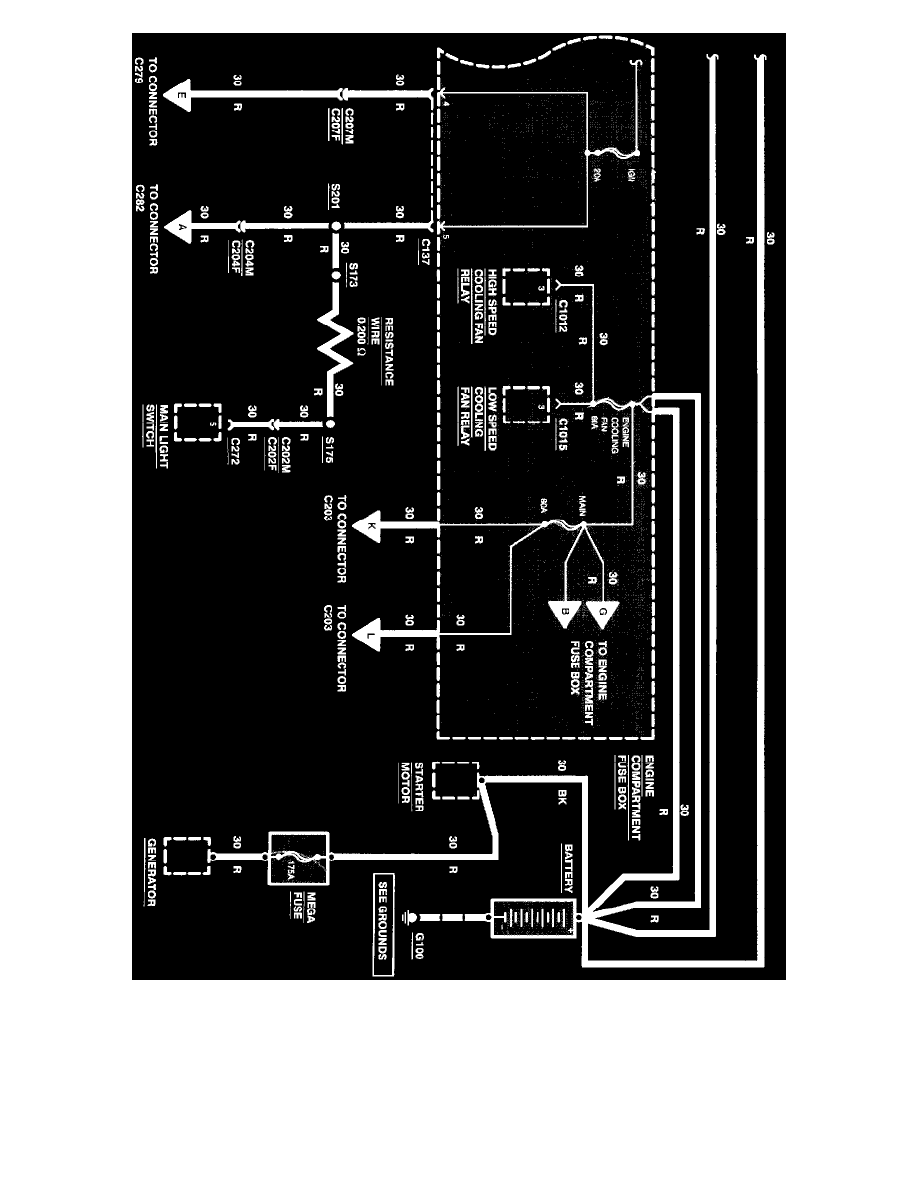
Contour V6-153 2.5L DOHC (1996)
Power and Ground Distribution
Fuse / Component Information
Diagrams / Diagram Information and Instructions
Page 6967
Page 85
Power Distribution
Power and Ground Distribution
Fuse / Component Information
Diagrams / Diagram Information and Instructions
Page 6967
Diagram Information and Instructions|Page 6968 >
< Diagram Information and Instructions|Page 6966