ford Workshop Repair Guides

Ford Workshop Service and Repair Manuals

Diagram Information and Instructions|Page 6969 > < Diagram Information and Instructions|Page 6967
Page 86
background image

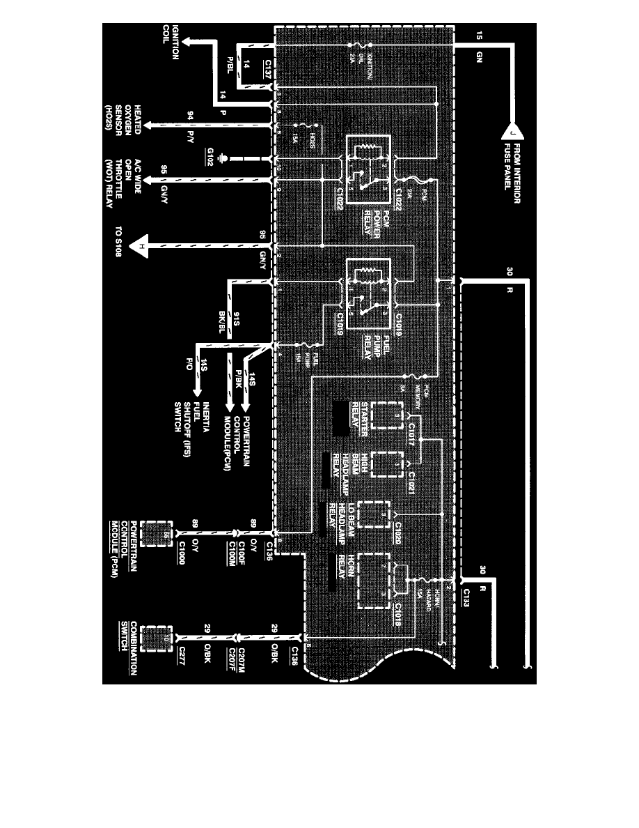
Power Distribution

Fuse RADIO

Fuse RADIO - protects the following circuits:

^

Clock

^

Radio

^

Compact Disc

Diagram Information and Instructions|Page 6969 > < Diagram Information and Instructions|Page 6967