Ford Workshop Service and Repair Manuals
HOME
FEATURES
MENU
INDEX
ABOUT US
Diagram Information and Instructions|Page 7028 >
< Diagram Information and Instructions|Page 7026
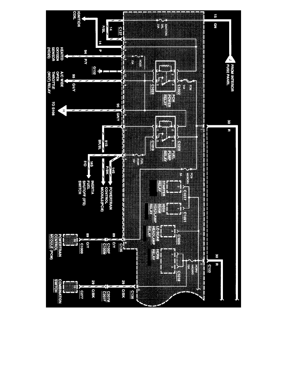
Contour V6-153 2.5L DOHC (1996)
Power and Ground Distribution
Fuse Block / Component Information
Diagrams / Diagram Information and Instructions
Page 7027
Page 14
Power Distribution
Fuse HO2S
Fuse HO2S
- protects the following circuits:
^
Heated Oxygen Sensors
Power and Ground Distribution
Fuse Block / Component Information
Diagrams / Diagram Information and Instructions
Page 7027
Diagram Information and Instructions|Page 7028 >
< Diagram Information and Instructions|Page 7026