Ford Workshop Service and Repair Manuals
HOME
FEATURES
MENU
INDEX
ABOUT US
Diagram Information and Instructions|Page 7029 >
< Diagram Information and Instructions|Page 7027
Contour V6-153 2.5L DOHC (1996)
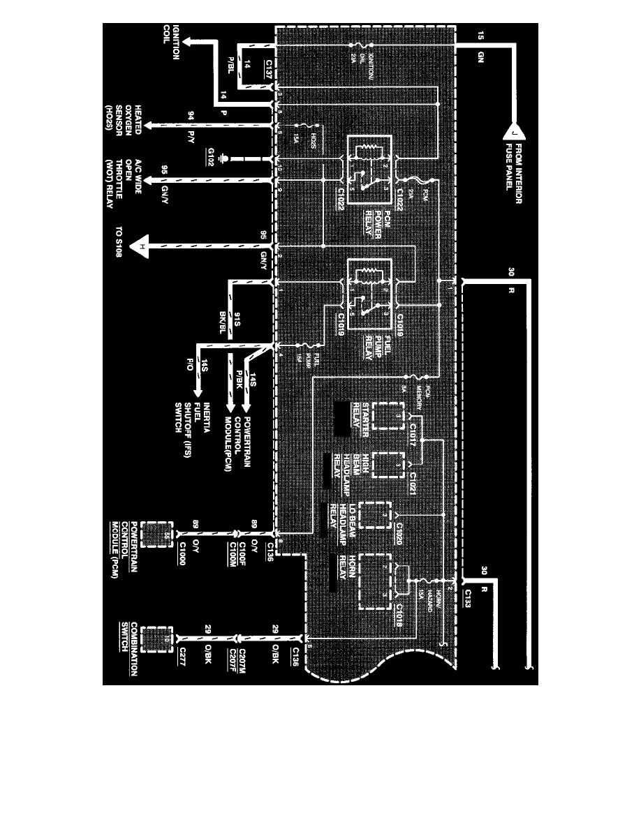
Power and Ground Distribution
Fuse Block / Component Information
Diagrams / Diagram Information and Instructions
Page 7028
Page 15
Power Distribution
Fuse IGN
Fuse IGN
- protects the following circuits:
^
Ignition Switch
Power and Ground Distribution
Fuse Block / Component Information
Diagrams / Diagram Information and Instructions
Page 7028
Diagram Information and Instructions|Page 7029 >
< Diagram Information and Instructions|Page 7027